lemon-mirror:
Home >> Lexus >> 2012 >> LS 600hL >> Repair and Diagnosis >> Electrical >> Body Electrical >> OEM System Circuits >> Rear Door Sunshade >> Notes

Rear Door Sunshade: Notes

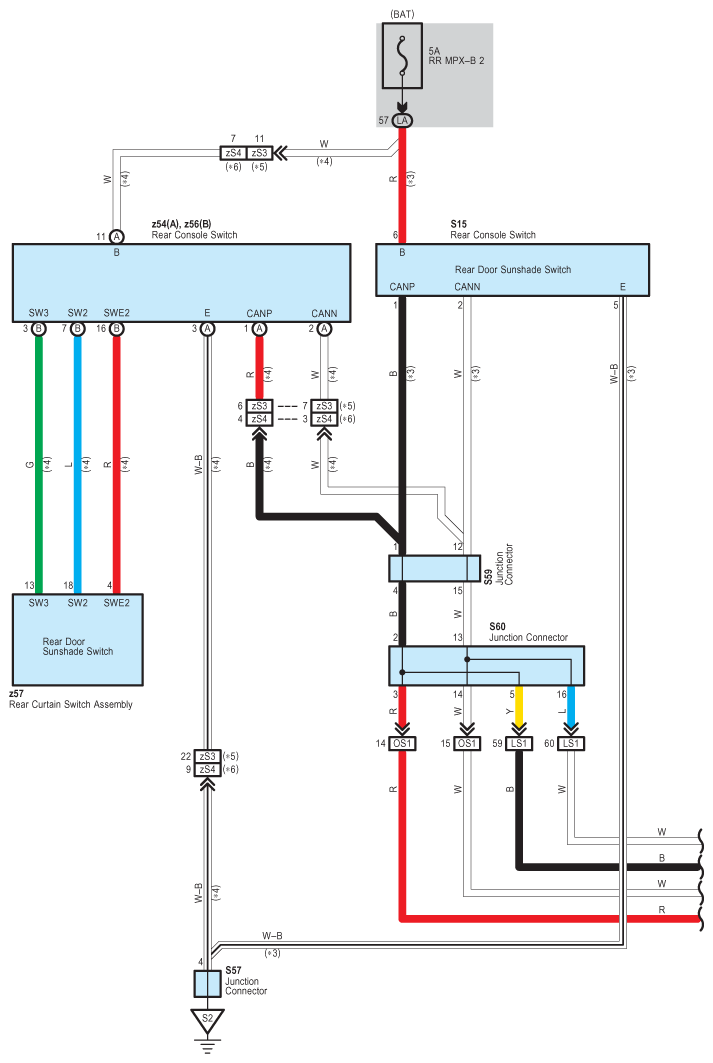
Fig 1: Rear Door Sunshade - Wiring Diagram (1 Of 3)
G08936987Courtesy of © TOYOTA, LICENSE AGREEMENT TMS1002
Fig 2: Rear Door Sunshade - Wiring Diagram (2 Of 3)
G08936988Courtesy of © TOYOTA, LICENSE AGREEMENT TMS1002
Fig 3: Rear Door Sunshade - Wiring Diagram (3 Of 3)
G08936989Courtesy of © TOYOTA, LICENSE AGREEMENT TMS1002