lemon-mirror:
Home >> Lexus >> 2012 >> LS 600hL >> Repair and Diagnosis >> Electrical >> Body Electrical >> OEM System Circuits >> Rear Sunshade >> Notes

Rear Sunshade: Notes

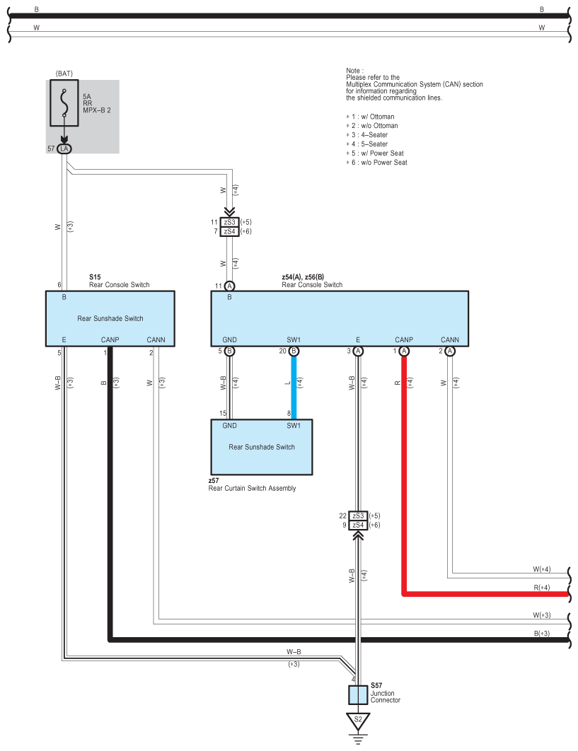
Fig 1: Rear Sunshade - Wiring Diagram (1 Of 4)
G08936983Courtesy of © TOYOTA, LICENSE AGREEMENT TMS1002
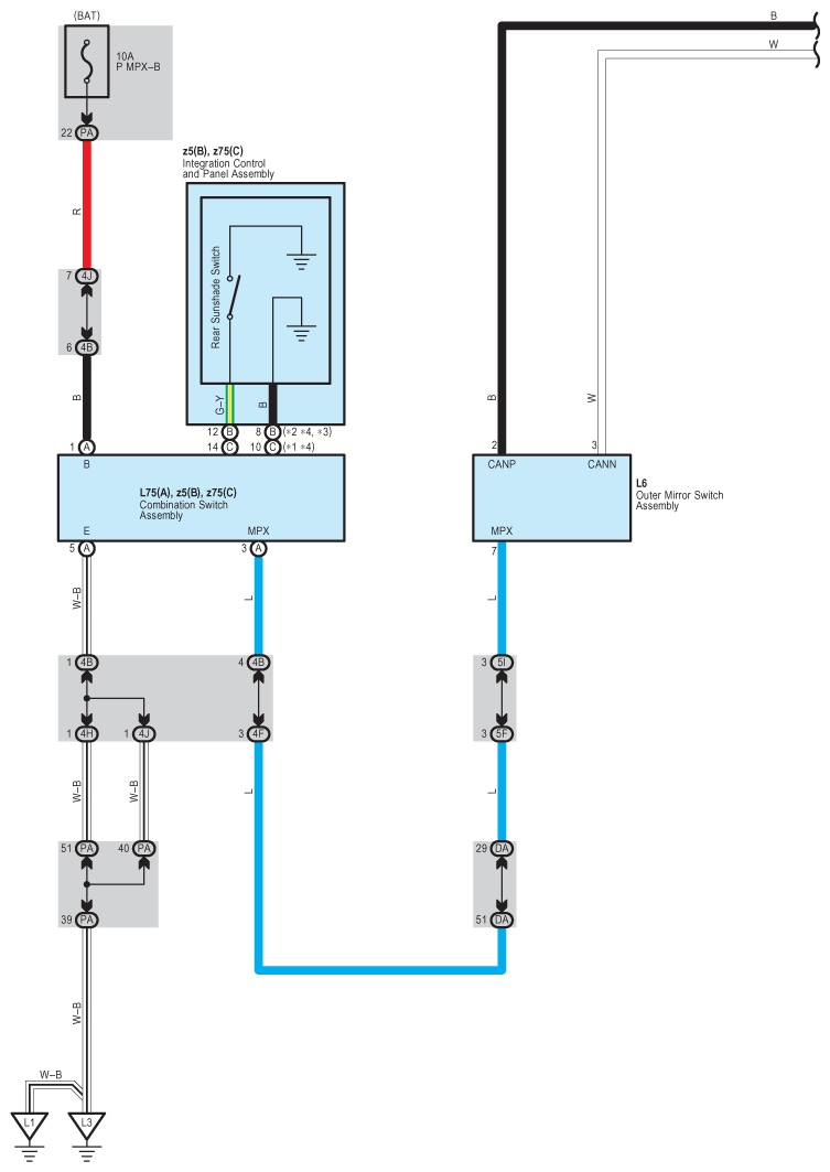
Fig 2: Rear Sunshade - Wiring Diagram (2 Of 4)
G08936984Courtesy of © TOYOTA, LICENSE AGREEMENT TMS1002
Fig 3: Rear Sunshade - Wiring Diagram (3 Of 4)
G08936985Courtesy of © TOYOTA, LICENSE AGREEMENT TMS1002
Fig 4: Rear Sunshade - Wiring Diagram (4 Of 4)
G08936986Courtesy of © TOYOTA, LICENSE AGREEMENT TMS1002