lemon-mirror:
Home >> Lexus >> 2012 >> LS 600hL >> Repair and Diagnosis >> Electrical >> Body Electrical >> OEM System Circuits >> SRS >> Notes

OEM System Circuits: SRS: Notes

NOTE: When inspecting or repairing the SRS, perform service in accordance with the following precautionary instructions and the procedures.
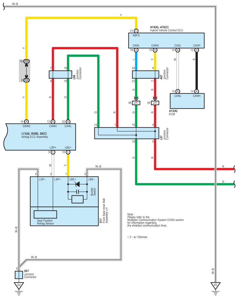
Fig 2: SRS - Wiring Diagram (1 Of 5)
G08936934Courtesy of © TOYOTA, LICENSE AGREEMENT TMS1002
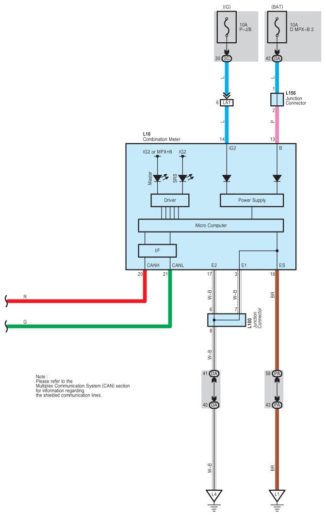
Fig 3: SRS - Wiring Diagram (2 Of 5)
G08936935Courtesy of © TOYOTA, LICENSE AGREEMENT TMS1002
Fig 4: SRS - Wiring Diagram (3 Of 5)
G08936936Courtesy of © TOYOTA, LICENSE AGREEMENT TMS1002
Fig 5: SRS - Wiring Diagram (4 Of 5)
G08936937Courtesy of © TOYOTA, LICENSE AGREEMENT TMS1002
Fig 6: SRS - Wiring Diagram (5 Of 5)
G08936938Courtesy of © TOYOTA, LICENSE AGREEMENT TMS1002