lemon-mirror:
Home >> Lexus >> 2012 >> LS 600hL >> Repair and Diagnosis >> Electrical >> Body Electrical >> OEM System Circuits >> VGRS System >> Notes

VGRS System: Notes

Fig 1: VGRS System - Wiring Diagram (1 Of 5)
G08936924Courtesy of © TOYOTA, LICENSE AGREEMENT TMS1002
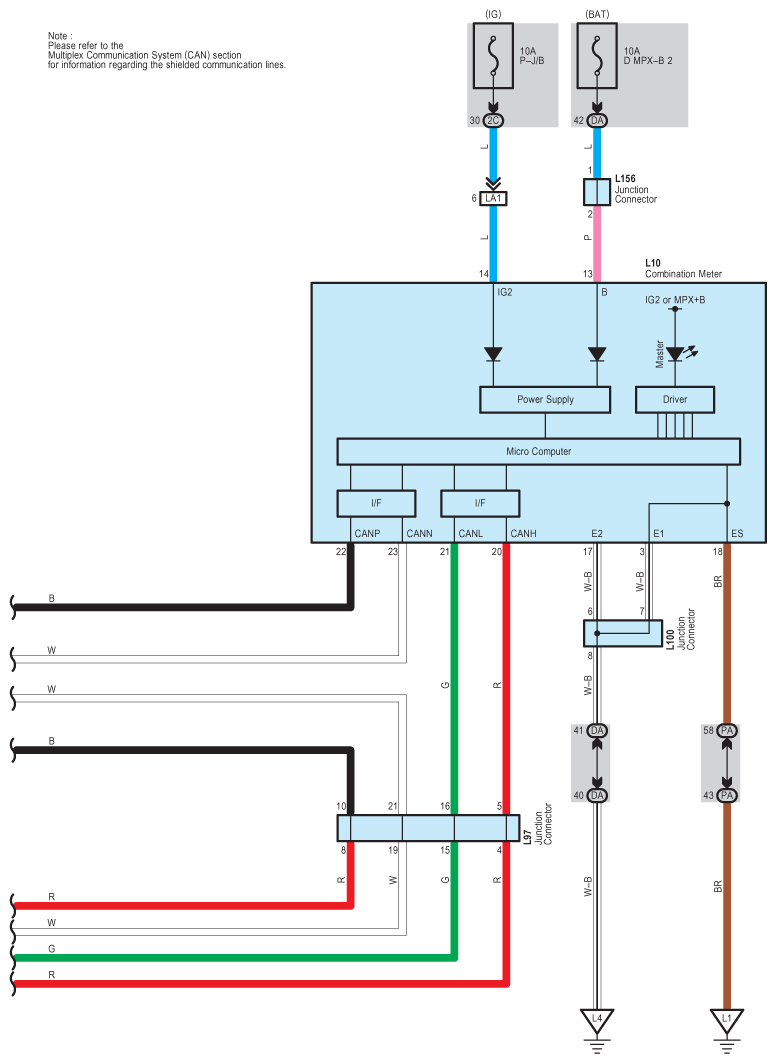
Fig 2: VGRS System - Wiring Diagram (2 Of 5)
G08936925Courtesy of © TOYOTA, LICENSE AGREEMENT TMS1002
Fig 3: VGRS System - Wiring Diagram (3 Of 5)
G08936926Courtesy of © TOYOTA, LICENSE AGREEMENT TMS1002
Fig 4: VGRS System - Wiring Diagram (4 Of 5)
G08936927Courtesy of © TOYOTA, LICENSE AGREEMENT TMS1002
Fig 5: VGRS System - Wiring Diagram (5 Of 5)
G08936928Courtesy of © TOYOTA, LICENSE AGREEMENT TMS1002