lemon-mirror:
Home >> Lexus >> 2012 >> LS 600hL >> Repair and Diagnosis >> Electrical >> Body Electrical >> OEM System Circuits >> Wiper and Washer >> Notes

Wiper and Washer: Notes

Fig 1: Wiper And Washer - Wiring Diagram (1 Of 4)
G08936816Courtesy of © TOYOTA, LICENSE AGREEMENT TMS1002
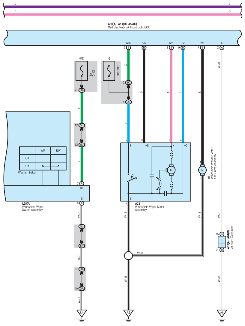
Fig 2: Wiper And Washer - Wiring Diagram (2 Of 4)
G08936817Courtesy of © TOYOTA, LICENSE AGREEMENT TMS1002
Fig 3: Wiper And Washer - Wiring Diagram (3 Of 4)
G08936818Courtesy of © TOYOTA, LICENSE AGREEMENT TMS1002
Fig 4: Wiper And Washer - Wiring Diagram (4 Of 4)
G08936819Courtesy of © TOYOTA, LICENSE AGREEMENT TMS1002