lemon-mirror:
Home >> Lexus >> 2012 >> RX 350 FWD >> Repair and Diagnosis >> Electrical >> Body Electrical >> OEM System Circuits >> Climate Control Seat >> Notes

Climate Control Seat: Notes

Fig 1: Climate Control Seat - Wiring Diagram (1 Of 4)
G08938398Courtesy of © TOYOTA, LICENSE AGREEMENT TMS1002
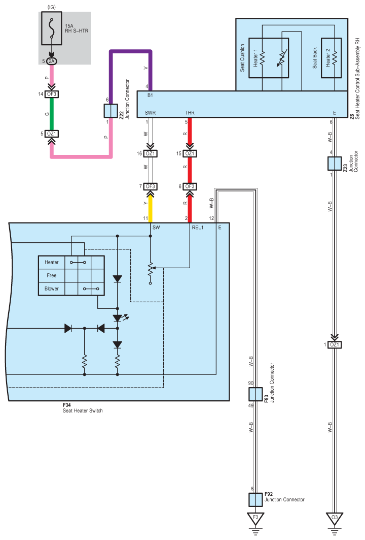
Fig 2: Climate Control Seat - Wiring Diagram (2 Of 4)
G08938399Courtesy of © TOYOTA, LICENSE AGREEMENT TMS1002
Fig 3: Climate Control Seat - Wiring Diagram (3 Of 4)
G08938400Courtesy of © TOYOTA, LICENSE AGREEMENT TMS1002
Fig 4: Climate Control Seat - Wiring Diagram (4 Of 4)
G08938401Courtesy of © TOYOTA, LICENSE AGREEMENT TMS1002