lemon-mirror:
Home >> Lexus >> 2012 >> RX 350 FWD >> Repair and Diagnosis >> Electrical >> Body Electrical >> OEM System Circuits >> Cooling Fan >> Notes

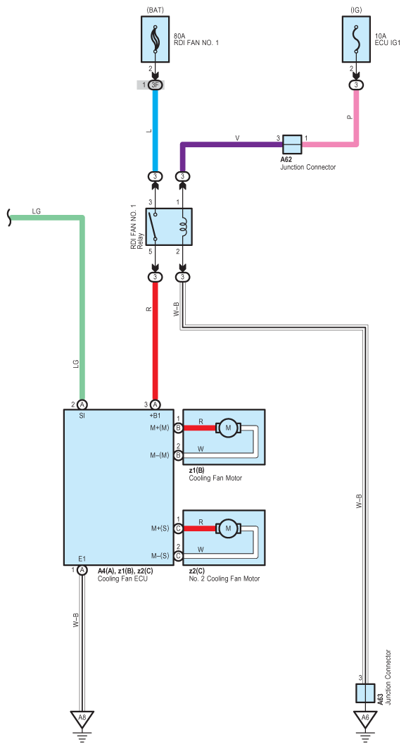
Cooling Fan: Notes

Fig 1: Cooling Fan - Wiring Diagram (1 Of 2)
G08938468Courtesy of © TOYOTA, LICENSE AGREEMENT TMS1002
Fig 2: Cooling Fan - Wiring Diagram (2 Of 2)
G08938469Courtesy of © TOYOTA, LICENSE AGREEMENT TMS1002