lemon-mirror:
Home >> Lexus >> 2012 >> RX 350 FWD >> Repair and Diagnosis >> Electrical >> Body Electrical >> OEM System Circuits >> Illumination >> Notes

OEM System Circuits: Illumination: Notes

Fig 1: Illumination - Wiring Diagram (1 Of 10)
G08938228Courtesy of © TOYOTA, LICENSE AGREEMENT TMS1002
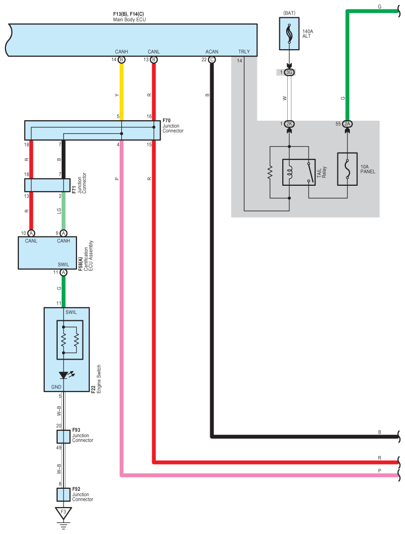
Fig 2: Illumination - Wiring Diagram (2 Of 10)
G08938229Courtesy of © TOYOTA, LICENSE AGREEMENT TMS1002
Fig 3: Illumination - Wiring Diagram (3 Of 10)
G08938230Courtesy of © TOYOTA, LICENSE AGREEMENT TMS1002
Fig 4: Illumination - Wiring Diagram (4 Of 10)
G08938231Courtesy of © TOYOTA, LICENSE AGREEMENT TMS1002
Fig 5: Illumination - Wiring Diagram (5 Of 10)
G08938232Courtesy of © TOYOTA, LICENSE AGREEMENT TMS1002
Fig 6: Illumination - Wiring Diagram (6 Of 10)
G08938233Courtesy of © TOYOTA, LICENSE AGREEMENT TMS1002
Fig 7: Illumination - Wiring Diagram (7 Of 10)
G08938234Courtesy of © TOYOTA, LICENSE AGREEMENT TMS1002
Fig 8: Illumination - Wiring Diagram (8 Of 10)
G08938235Courtesy of © TOYOTA, LICENSE AGREEMENT TMS1002
Fig 9: Illumination - Wiring Diagram (9 Of 10)
G08938236Courtesy of © TOYOTA, LICENSE AGREEMENT TMS1002
Fig 10: Illumination - Wiring Diagram (10 Of 10)
G08938237Courtesy of © TOYOTA, LICENSE AGREEMENT TMS1002