lemon-mirror:
Home >> Lexus >> 2012 >> RX 350 FWD >> Repair and Diagnosis >> Electrical >> Body Electrical >> OEM System Circuits >> Power Back Door >> Notes

Power Back Door: Notes

Fig 1: Power Back Door - Wiring Diagram (1 Of 5)
G08938262Courtesy of © TOYOTA, LICENSE AGREEMENT TMS1002
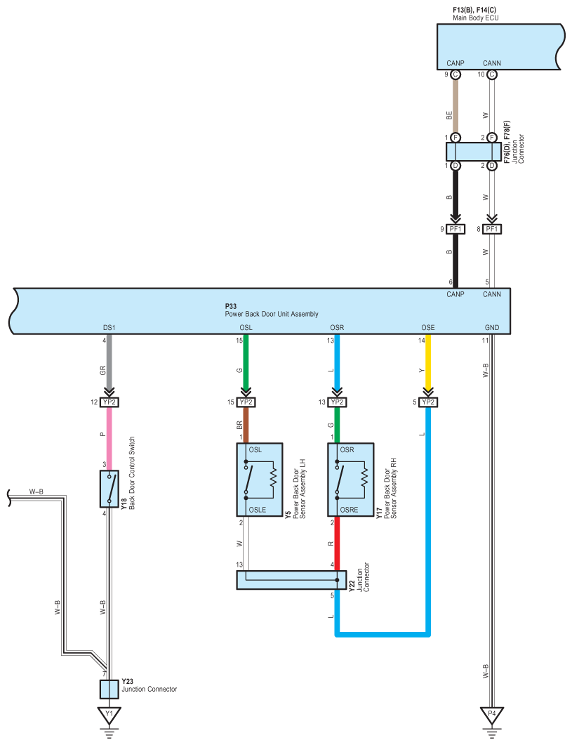
Fig 2: Power Back Door - Wiring Diagram (2 Of 5)
G08938263Courtesy of © TOYOTA, LICENSE AGREEMENT TMS1002
Fig 3: Power Back Door - Wiring Diagram (3 Of 5)
G08938264Courtesy of © TOYOTA, LICENSE AGREEMENT TMS1002
Fig 4: Power Back Door - Wiring Diagram (4 Of 5)
G08938265Courtesy of © TOYOTA, LICENSE AGREEMENT TMS1002
Fig 5: Power Back Door - Wiring Diagram (5 Of 5)
G08938266Courtesy of © TOYOTA, LICENSE AGREEMENT TMS1002