lemon-mirror:
Home >> Lexus >> 2012 >> RX 350 FWD >> Repair and Diagnosis >> Electrical >> Body Electrical >> OEM System Circuits >> SRS >> Notes

OEM System Circuits: SRS: Notes

NOTE: When inspecting or repairing the SRS, perform service in accordance with the following precautionary instructions and the procedures.
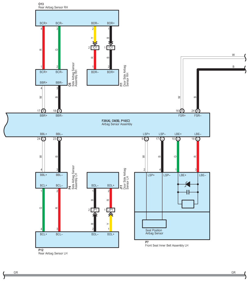
Fig 2: SRS - Wiring Diagram (1 Of 8)
G08938326Courtesy of © TOYOTA, LICENSE AGREEMENT TMS1002
Fig 3: SRS - Wiring Diagram (2 Of 8)
G08938327Courtesy of © TOYOTA, LICENSE AGREEMENT TMS1002
Fig 4: SRS - Wiring Diagram (3 Of 8)
G08938328Courtesy of © TOYOTA, LICENSE AGREEMENT TMS1002
Fig 5: SRS - Wiring Diagram (4 Of 8)
G08938329Courtesy of © TOYOTA, LICENSE AGREEMENT TMS1002
Fig 6: SRS - Wiring Diagram (5 Of 8)
G08938330Courtesy of © TOYOTA, LICENSE AGREEMENT TMS1002
Fig 7: SRS - Wiring Diagram (6 Of 8)
G08938331Courtesy of © TOYOTA, LICENSE AGREEMENT TMS1002
Fig 8: SRS - Wiring Diagram (7 Of 8)
G08938332Courtesy of © TOYOTA, LICENSE AGREEMENT TMS1002
Fig 9: SRS - Wiring Diagram (8 Of 8)
G08938333Courtesy of © TOYOTA, LICENSE AGREEMENT TMS1002