lemon-mirror:
Home >> Lexus >> 2012 >> RX 350 FWD >> Repair and Diagnosis >> Electrical >> Body Electrical >> OEM System Circuits >> Taillight >> Notes

OEM System Circuits: Taillight: Notes

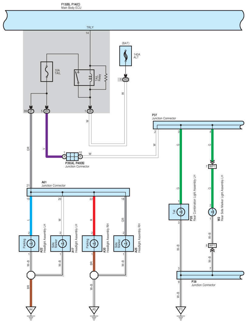
Fig 1: Taillight - Wiring Diagram (1 Of 5)
G08938223Courtesy of © TOYOTA, LICENSE AGREEMENT TMS1002
Fig 2: Taillight - Wiring Diagram (2 Of 5)
G08938224Courtesy of © TOYOTA, LICENSE AGREEMENT TMS1002
Fig 3: Taillight - Wiring Diagram (3 Of 5)
G08938225Courtesy of © TOYOTA, LICENSE AGREEMENT TMS1002
Fig 4: Taillight - Wiring Diagram (4 Of 5)
G08938226Courtesy of © TOYOTA, LICENSE AGREEMENT TMS1002
Fig 5: Taillight - Wiring Diagram (5 Of 5)
G08938227Courtesy of © TOYOTA, LICENSE AGREEMENT TMS1002