lemon-mirror:
Home >> Lexus >> 2012 >> RX 350 FWD >> Repair and Diagnosis >> Electrical >> Body Electrical >> OEM System Circuits >> Trailer Towing >> Notes

Trailer Towing: Notes

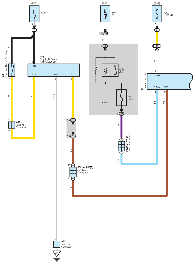
Fig 1: Trailer Towing - Wiring Diagram (1 Of 3)
G08938241Courtesy of © TOYOTA, LICENSE AGREEMENT TMS1002
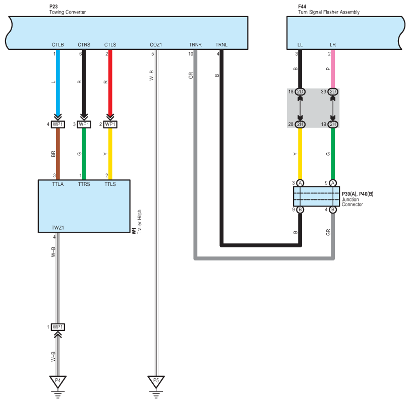
Fig 2: Trailer Towing - Wiring Diagram (2 Of 3)
G08938242Courtesy of © TOYOTA, LICENSE AGREEMENT TMS1002
Fig 3: Trailer Towing - Wiring Diagram (3 Of 3)
G08938243Courtesy of © TOYOTA, LICENSE AGREEMENT TMS1002