lemon-mirror:
Home >> Lexus >> 2013 >> CT 200h Base >> Repair and Diagnosis >> Electrical >> Body Electrical >> OEM System Circuits >> Air Conditioning >> Notes

Air Conditioning: Notes

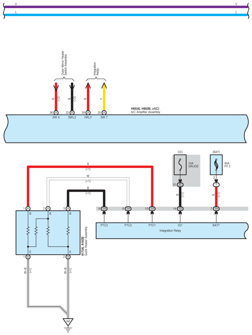
Fig 1: Air Conditioning System Wiring Diagram (1 Of 10)
G09113832Courtesy of © TOYOTA, LICENSE AGREEMENT TMS1002
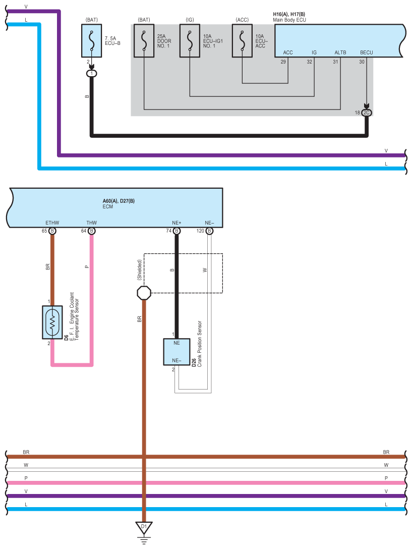
Fig 2: Air Conditioning System Wiring Diagram (2 Of 10)
G09113833Courtesy of © TOYOTA, LICENSE AGREEMENT TMS1002
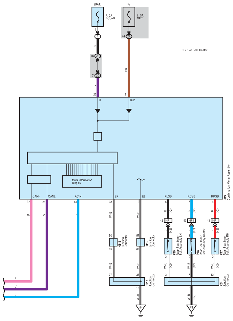
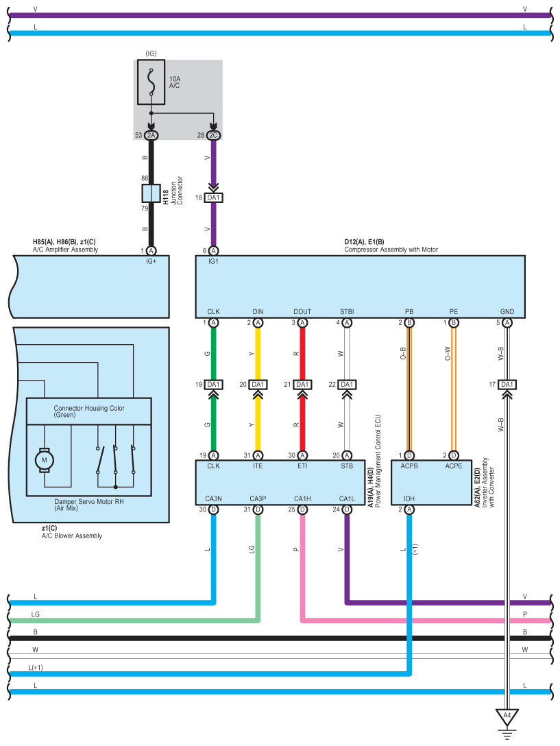
Fig 3: Air Conditioning System Wiring Diagram (3 Of 10)
G09113834Courtesy of © TOYOTA, LICENSE AGREEMENT TMS1002
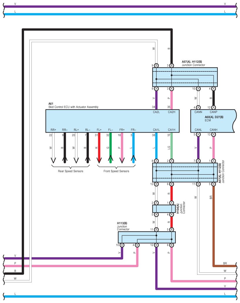
Fig 4: Air Conditioning System Wiring Diagram (4 Of 10)
G09113835Courtesy of © TOYOTA, LICENSE AGREEMENT TMS1002
Fig 5: Air Conditioning System Wiring Diagram (5 Of 10)
G09113836Courtesy of © TOYOTA, LICENSE AGREEMENT TMS1002
Fig 6: Air Conditioning System Wiring Diagram (6 Of 10)
G09113837Courtesy of © TOYOTA, LICENSE AGREEMENT TMS1002
Fig 7: Air Conditioning System Wiring Diagram (7 Of 10)
G09113838Courtesy of © TOYOTA, LICENSE AGREEMENT TMS1002
Fig 8: Air Conditioning System Wiring Diagram (8 Of 10)
G09113839Courtesy of © TOYOTA, LICENSE AGREEMENT TMS1002
Fig 9: Air Conditioning System Wiring Diagram (9 Of 10)
G09113840Courtesy of © TOYOTA, LICENSE AGREEMENT TMS1002
Fig 10: Air Conditioning System Wiring Diagram (10 Of 10)
G09113841Courtesy of © TOYOTA, LICENSE AGREEMENT TMS1002