lemon-mirror:
Home >> Lexus >> 2013 >> CT 200h Base >> Repair and Diagnosis >> Electrical >> Body Electrical >> OEM System Circuits >> Combination Meter >> Notes

Combination Meter: Notes

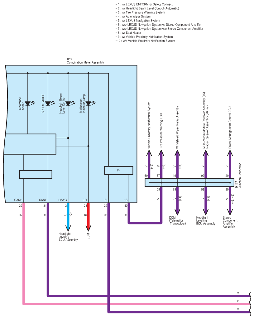
Fig 1: Combination Meter System Wiring Diagram (1 Of 8)
G09113822Courtesy of © TOYOTA, LICENSE AGREEMENT TMS1002
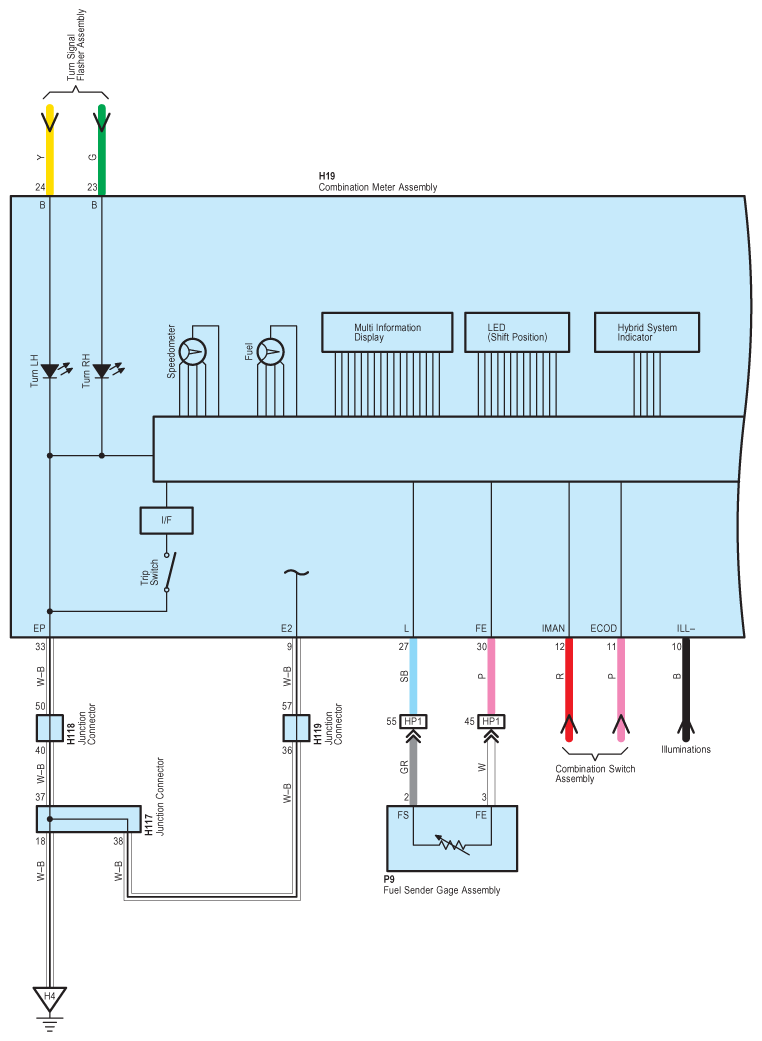
Fig 2: Combination Meter System Wiring Diagram (2 Of 8)
G09113823Courtesy of © TOYOTA, LICENSE AGREEMENT TMS1002
Fig 3: Combination Meter System Wiring Diagram (3 Of 8)
G09113824Courtesy of © TOYOTA, LICENSE AGREEMENT TMS1002
Fig 4: Combination Meter System Wiring Diagram (4 Of 8)
G09113825Courtesy of © TOYOTA, LICENSE AGREEMENT TMS1002
Fig 5: Combination Meter System Wiring Diagram (5 Of 8)
G09113826Courtesy of © TOYOTA, LICENSE AGREEMENT TMS1002
Fig 6: Combination Meter System Wiring Diagram (6 Of 8)
G09113827Courtesy of © TOYOTA, LICENSE AGREEMENT TMS1002
Fig 7: Combination Meter System Wiring Diagram (7 Of 8)
G09113828Courtesy of © TOYOTA, LICENSE AGREEMENT TMS1002
Fig 8: Combination Meter System Wiring Diagram (8 Of 8)
G09113829Courtesy of © TOYOTA, LICENSE AGREEMENT TMS1002