lemon-mirror:
Home >> Lexus >> 2013 >> CT 200h Base >> Repair and Diagnosis >> Electrical >> Body Electrical >> OEM System Circuits >> Heated Steering Wheel System >> Notes

Heated Steering Wheel System: Notes

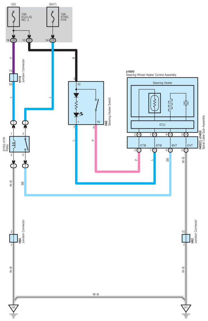
Fig 1: Heated Steering Wheel System Wiring Diagram
G09113767Courtesy of © TOYOTA, LICENSE AGREEMENT TMS1002