lemon-mirror:
Home >> Lexus >> 2013 >> CT 200h Base >> Repair and Diagnosis >> Electrical >> Body Electrical >> OEM System Circuits >> Seat Heater >> Notes

Seat Heater: Notes

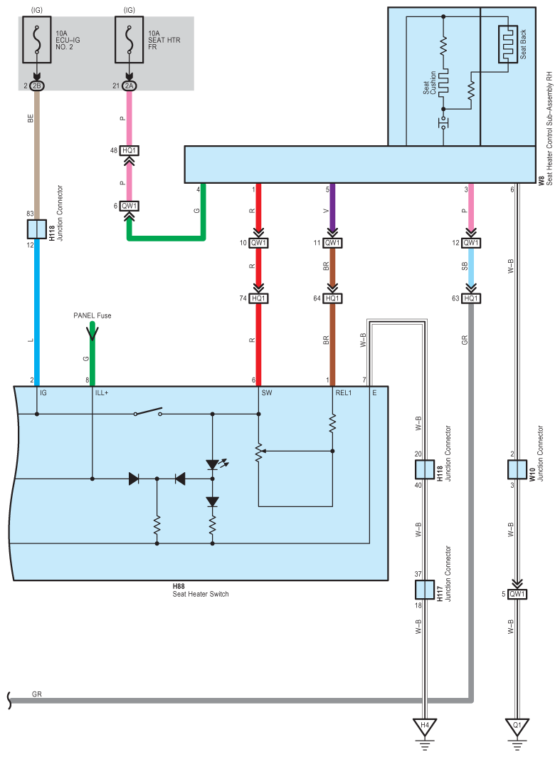
Fig 1: Seat Heater System Wiring Diagram (1 Of 2)
G09113761Courtesy of © TOYOTA, LICENSE AGREEMENT TMS1002
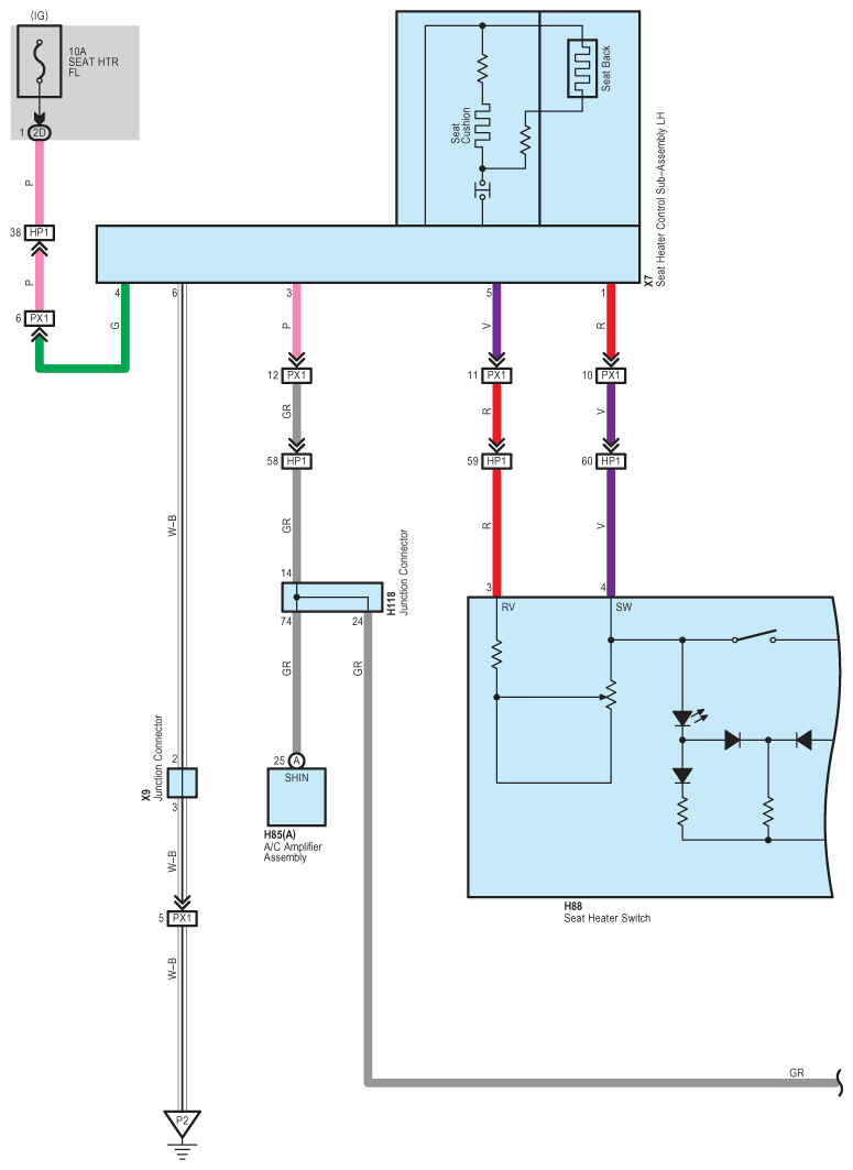
Fig 2: Seat Heater System Wiring Diagram (2 Of 2)
G09113762Courtesy of © TOYOTA, LICENSE AGREEMENT TMS1002