lemon-mirror:
Home >> Lexus >> 2013 >> ES 300h >> Repair and Diagnosis >> Electrical >> Body Electrical >> OEM System Circuits >> Vehicle Proximity Notification System >> Notes

Vehicle Proximity Notification System: Notes

Fig 1: Vehicle Proximity Notification System - Circuit Diagram (1 Of 5)
G08953848Courtesy of © TOYOTA, LICENSE AGREEMENT TMS1002
Fig 2: Vehicle Proximity Notification System - Circuit Diagram (2 Of 5)
G08953849Courtesy of © TOYOTA, LICENSE AGREEMENT TMS1002
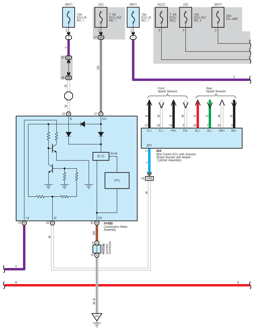
Fig 3: Vehicle Proximity Notification System - Circuit Diagram (3 Of 5)
G08953850Courtesy of © TOYOTA, LICENSE AGREEMENT TMS1002
Fig 4: Vehicle Proximity Notification System - Circuit Diagram (4 Of 5)
G08953851Courtesy of © TOYOTA, LICENSE AGREEMENT TMS1002
Fig 5: Vehicle Proximity Notification System - Circuit Diagram (5 Of 5)
G08953852Courtesy of © TOYOTA, LICENSE AGREEMENT TMS1002