lemon-mirror:
Home >> Lexus >> 2013 >> ES 350 >> Repair and Diagnosis >> Electrical >> Body Electrical >> OEM System Circuits >> Back-Up Light >> Notes

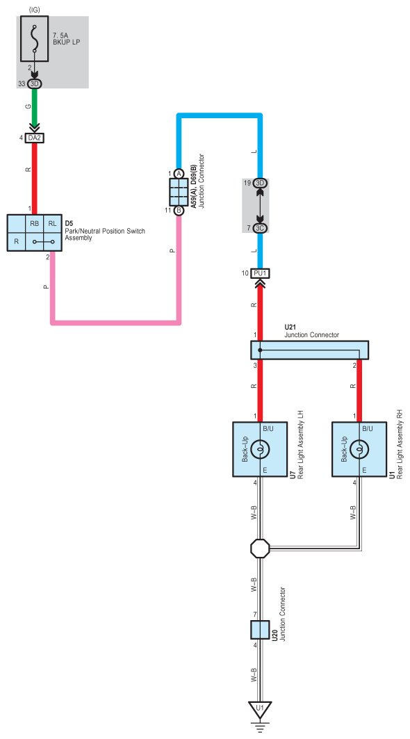
Back-Up Light: Notes

Fig 1: Back-Up Light - Circuit Diagram
G08948206Courtesy of © TOYOTA, LICENSE AGREEMENT TMS1002