lemon-mirror:
Home >> Lexus >> 2013 >> ES 350 >> Repair and Diagnosis >> Electrical >> Body Electrical >> OEM System Circuits >> Blind Spot Monitor System >> Notes

Blind Spot Monitor System: Notes

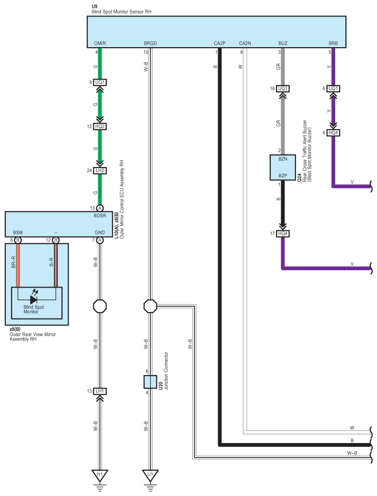
Fig 1: Blind Spot Monitor System - Circuit Diagram (1 Of 5)
G08948355Courtesy of © TOYOTA, LICENSE AGREEMENT TMS1002
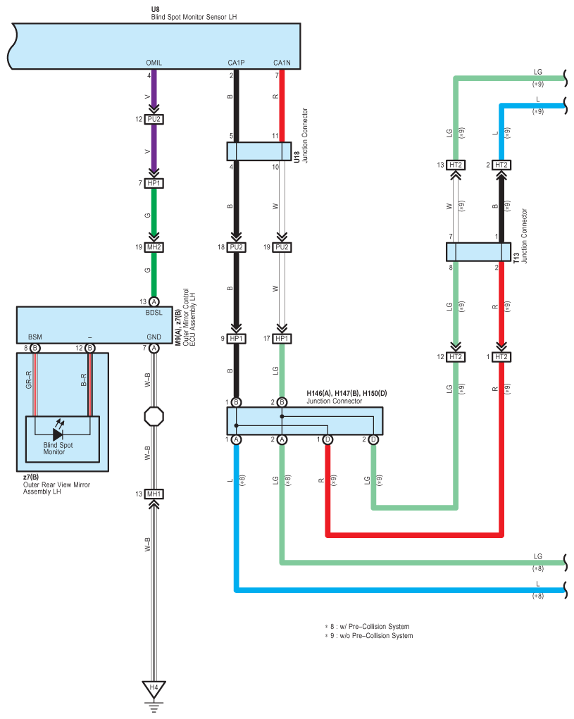
Fig 2: Blind Spot Monitor System - Circuit Diagram (2 Of 5)
G08948356Courtesy of © TOYOTA, LICENSE AGREEMENT TMS1002
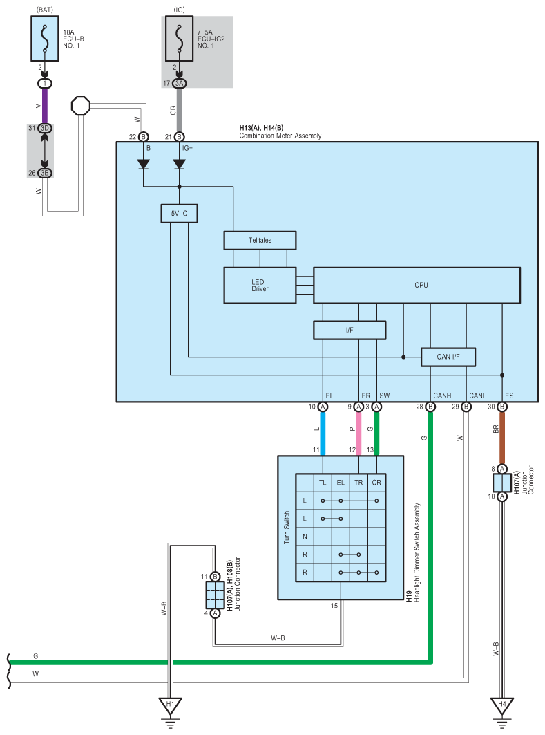
Fig 3: Blind Spot Monitor System - Circuit Diagram (3 Of 5)
G08948357Courtesy of © TOYOTA, LICENSE AGREEMENT TMS1002
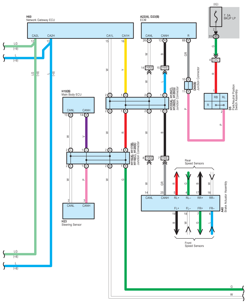
Fig 4: Blind Spot Monitor System - Circuit Diagram (4 Of 5)
G08948358Courtesy of © TOYOTA, LICENSE AGREEMENT TMS1002
Fig 5: Blind Spot Monitor System - Circuit Diagram (5 Of 5)
G08948359Courtesy of © TOYOTA, LICENSE AGREEMENT TMS1002