lemon-mirror:
Home >> Lexus >> 2013 >> ES 350 >> Repair and Diagnosis >> Electrical >> Body Electrical >> OEM System Circuits >> Lane Departure Alert >> Notes

Lane Departure Alert: Notes

Fig 1: Lane Departure Alert - Circuit Diagram (1 Of 7)
G08948252Courtesy of © TOYOTA, LICENSE AGREEMENT TMS1002
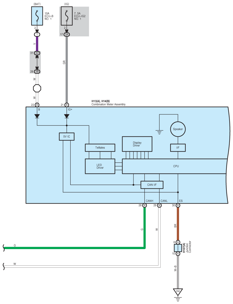
Fig 2: Lane Departure Alert - Circuit Diagram (2 Of 7)
G08948253Courtesy of © TOYOTA, LICENSE AGREEMENT TMS1002
Fig 3: Lane Departure Alert - Circuit Diagram (3 Of 7)
G08948254Courtesy of © TOYOTA, LICENSE AGREEMENT TMS1002
Fig 4: Lane Departure Alert - Circuit Diagram (4 Of 7)
G08948255Courtesy of © TOYOTA, LICENSE AGREEMENT TMS1002
Fig 5: Lane Departure Alert - Circuit Diagram (5 Of 7)
G08948256Courtesy of © TOYOTA, LICENSE AGREEMENT TMS1002
Fig 6: Lane Departure Alert - Circuit Diagram (6 Of 7)
G08948257Courtesy of © TOYOTA, LICENSE AGREEMENT TMS1002
Fig 7: Lane Departure Alert - Circuit Diagram (7 Of 7)
G08948258Courtesy of © TOYOTA, LICENSE AGREEMENT TMS1002