lemon-mirror:
Home >> Lexus >> 2013 >> ES 350 >> Repair and Diagnosis >> Electrical >> Body Electrical >> OEM System Circuits >> Power Window >> Notes

Power Window: Notes

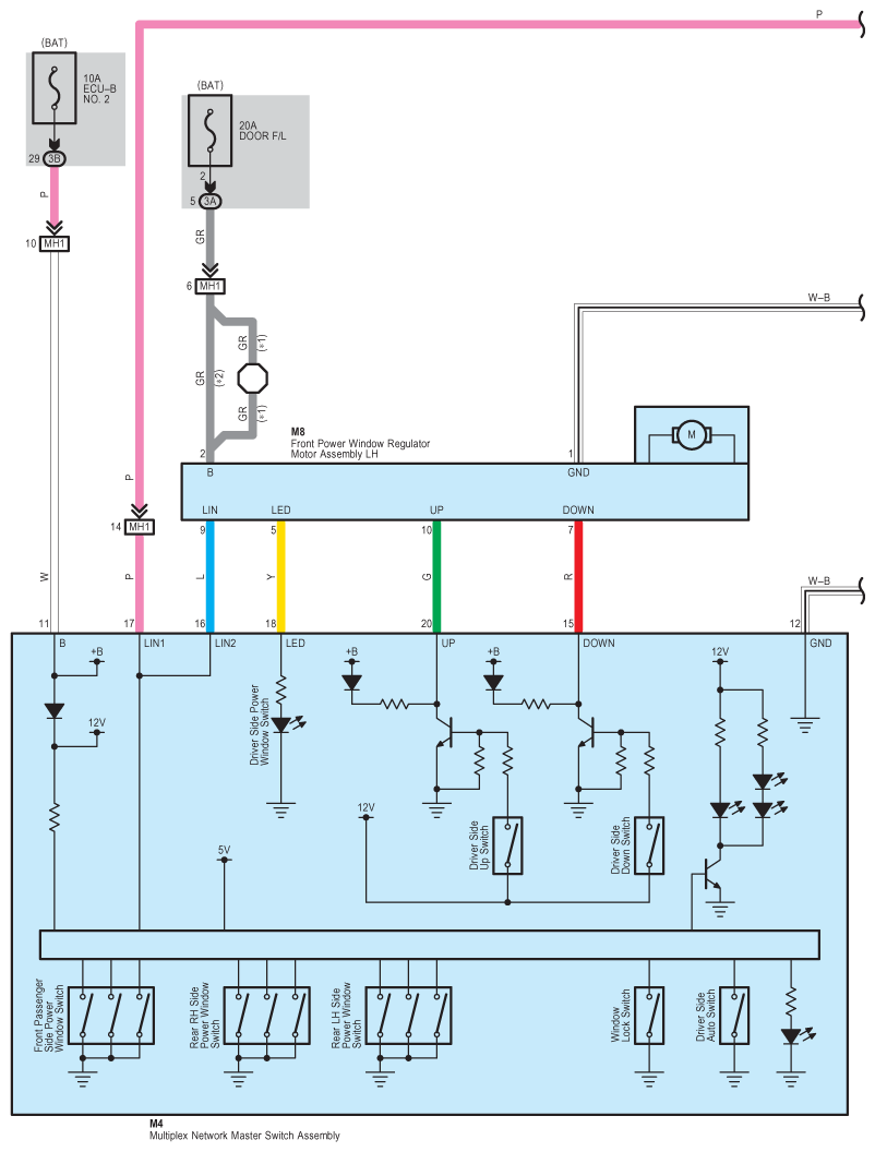
Fig 1: Power Window - Circuit Diagram (1 Of 4)
G08948286Courtesy of © TOYOTA, LICENSE AGREEMENT TMS1002
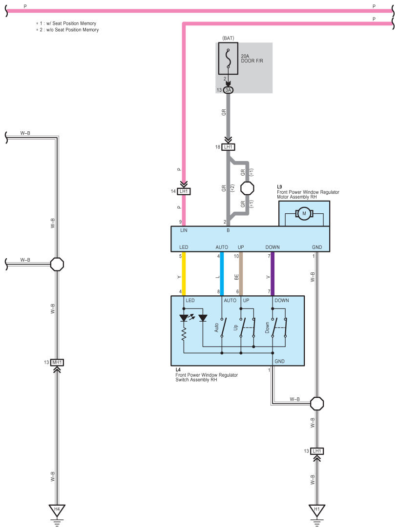
Fig 2: Power Window - Circuit Diagram (2 Of 4)
G08948287Courtesy of © TOYOTA, LICENSE AGREEMENT TMS1002
Fig 3: Power Window - Circuit Diagram (3 Of 4)
G08948288Courtesy of © TOYOTA, LICENSE AGREEMENT TMS1002
Fig 4: Power Window - Circuit Diagram (4 Of 4)
G08948289Courtesy of © TOYOTA, LICENSE AGREEMENT TMS1002