lemon-mirror:
Home >> Lexus >> 2013 >> GS 450h >> Repair and Diagnosis >> Electrical >> Body Electrical >> OEM System Circuits >> Combination Meter >> Notes

Combination Meter: Notes

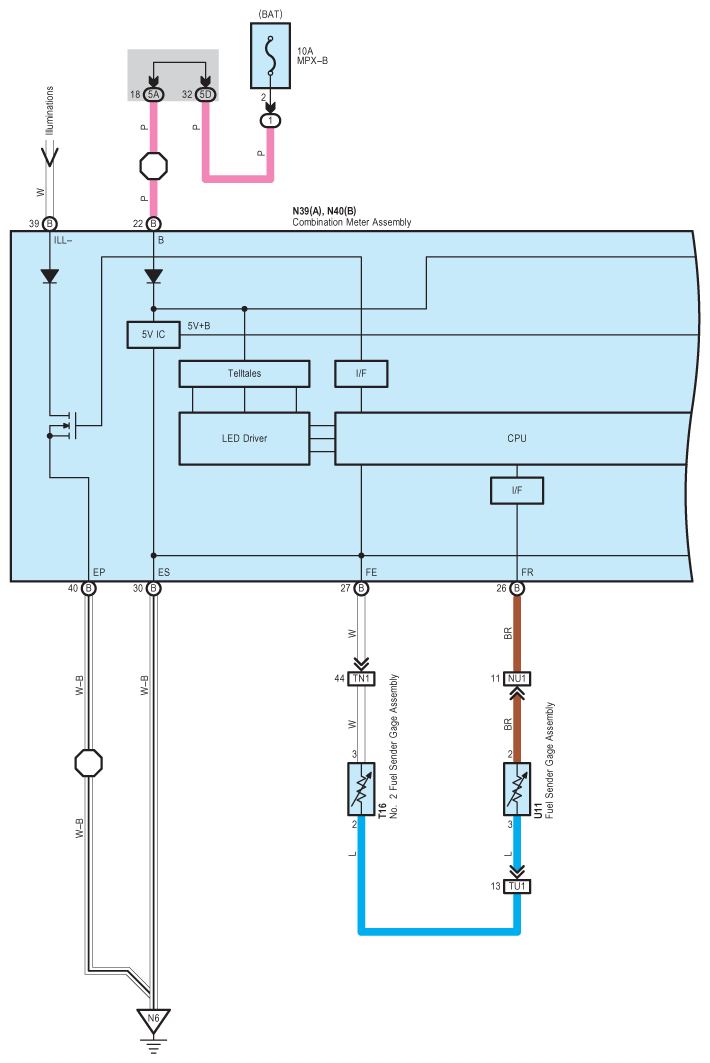
Fig 1: Combination Meter Wiring Diagram (1 Of 12)
G09118115Courtesy of © TOYOTA, LICENSE AGREEMENT TMS1002
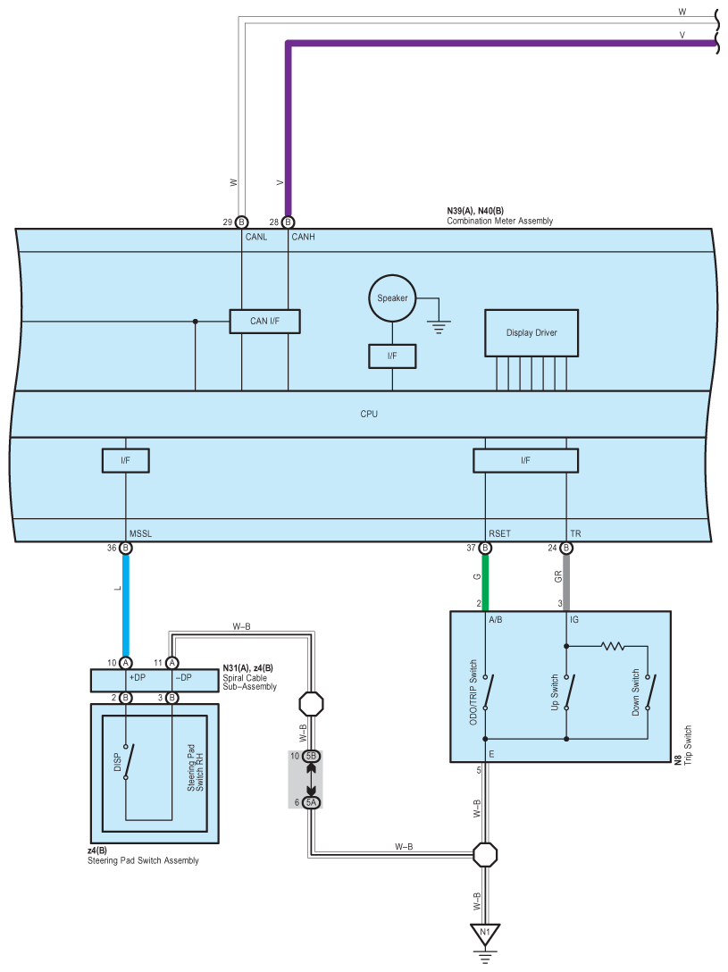
Fig 2: Combination Meter Wiring Diagram (2 Of 12)
G09118116Courtesy of © TOYOTA, LICENSE AGREEMENT TMS1002
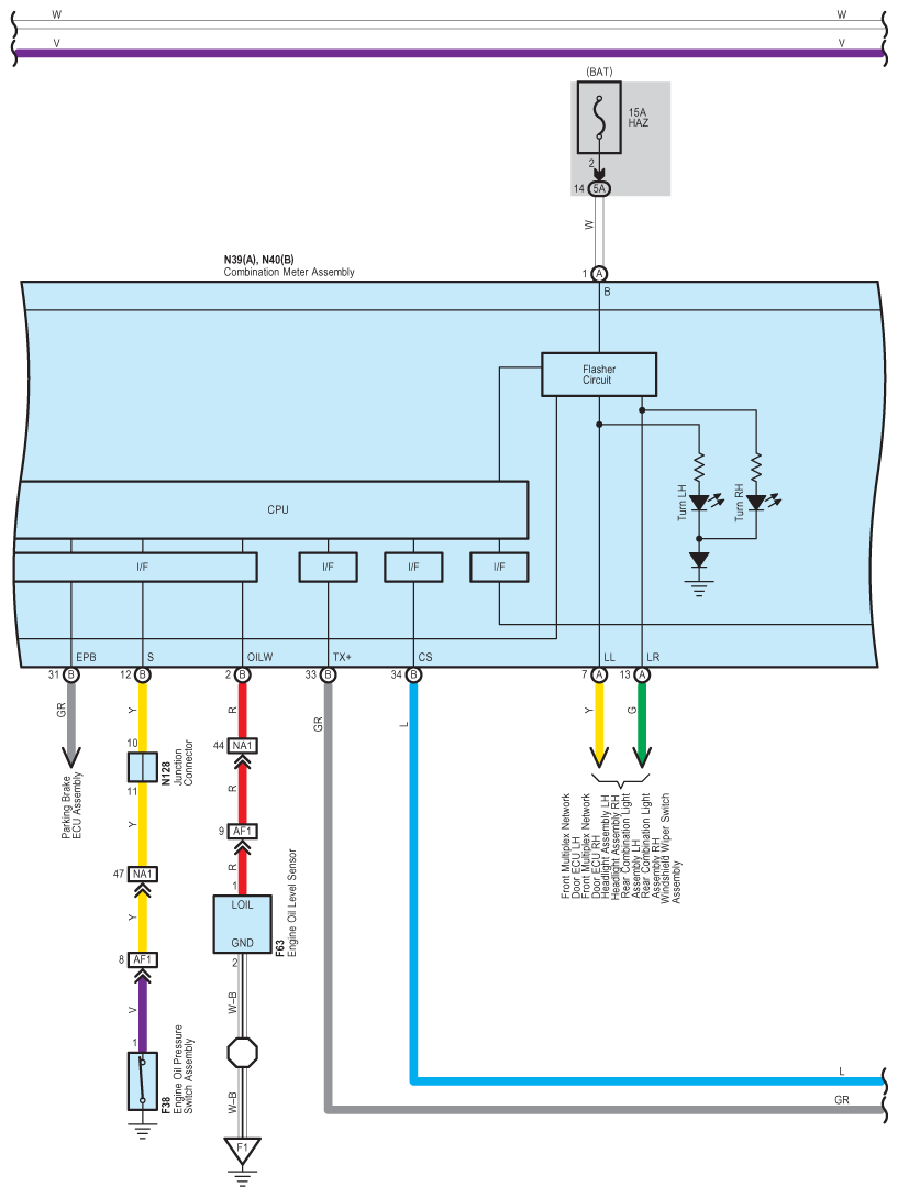
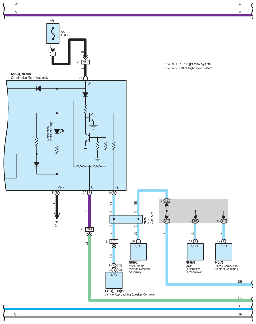
Fig 3: Combination Meter Wiring Diagram (3 Of 12)
G09118117Courtesy of © TOYOTA, LICENSE AGREEMENT TMS1002
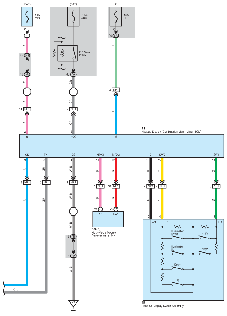
Fig 4: Combination Meter Wiring Diagram (4 Of 12)
G09118118Courtesy of © TOYOTA, LICENSE AGREEMENT TMS1002
Fig 5: Combination Meter Wiring Diagram (5 Of 12)
G09118119Courtesy of © TOYOTA, LICENSE AGREEMENT TMS1002
Fig 6: Combination Meter Wiring Diagram (6 Of 12)
G09118120Courtesy of © TOYOTA, LICENSE AGREEMENT TMS1002
Fig 7: Combination Meter Wiring Diagram (7 Of 12)
G09118121Courtesy of © TOYOTA, LICENSE AGREEMENT TMS1002
Fig 8: Combination Meter Wiring Diagram (8 Of 12)
G09118122Courtesy of © TOYOTA, LICENSE AGREEMENT TMS1002
Fig 9: Combination Meter Wiring Diagram (9 Of 12)
G09118123Courtesy of © TOYOTA, LICENSE AGREEMENT TMS1002
Fig 10: Combination Meter Wiring Diagram (10 Of 12)
G09118124Courtesy of © TOYOTA, LICENSE AGREEMENT TMS1002
Fig 11: Combination Meter Wiring Diagram (11 Of 12)
G09118125Courtesy of © TOYOTA, LICENSE AGREEMENT TMS1002
Fig 12: Combination Meter Wiring Diagram (12 Of 12)
G09118126Courtesy of © TOYOTA, LICENSE AGREEMENT TMS1002