lemon-mirror:
Home >> Lexus >> 2013 >> GS 450h >> Repair and Diagnosis >> Electrical >> Body Electrical >> OEM System Circuits >> Cooling Fan >> Notes

Cooling Fan: Notes

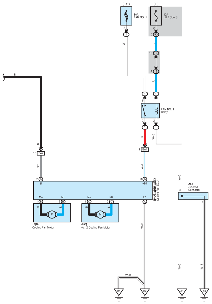
Fig 1: Cooling Fan Wiring Diagram (1 Of 2)
G09118127Courtesy of © TOYOTA, LICENSE AGREEMENT TMS1002
Fig 2: Cooling Fan Wiring Diagram (2 Of 2)
G09118128Courtesy of © TOYOTA, LICENSE AGREEMENT TMS1002