lemon-mirror:
Home >> Lexus >> 2013 >> GS 450h >> Repair and Diagnosis >> Electrical >> Body Electrical >> OEM System Circuits >> Front Fog Light >> Notes

Front Fog Light: Notes

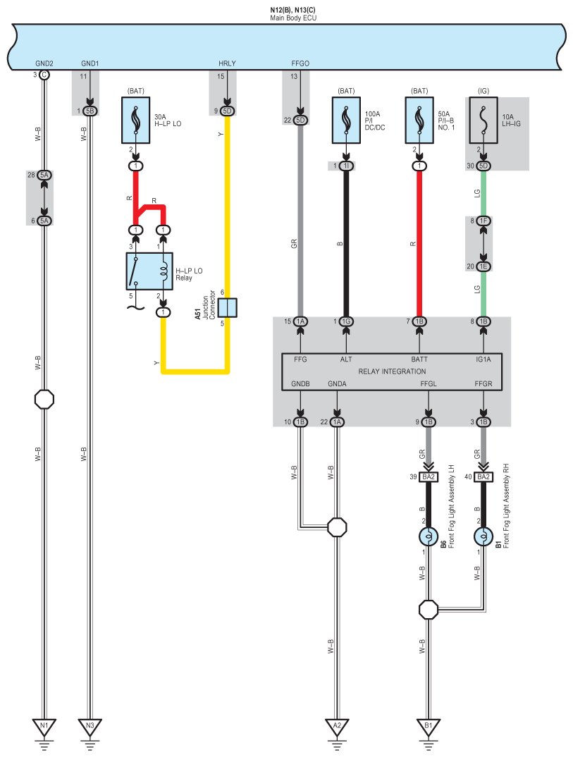
Fig 1: Front Fog Light Wiring Diagram (1 Of 4)
G09117847Courtesy of © TOYOTA, LICENSE AGREEMENT TMS1002
Fig 2: Front Fog Light Wiring Diagram (2 Of 4)
G09117848Courtesy of © TOYOTA, LICENSE AGREEMENT TMS1002
Fig 3: Front Fog Light Wiring Diagram (3 Of 4)
G09117849Courtesy of © TOYOTA, LICENSE AGREEMENT TMS1002
Fig 4: Front Fog Light Wiring Diagram (4 Of 4)
G09117850Courtesy of © TOYOTA, LICENSE AGREEMENT TMS1002