lemon-mirror:
Home >> Lexus >> 2013 >> GS 450h >> Repair and Diagnosis >> Electrical >> Body Electrical >> OEM System Circuits >> Heated Steering Wheel System >> Notes

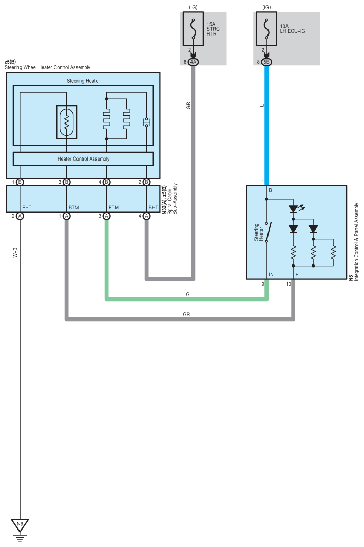
Heated Steering Wheel System: Notes

Fig 1: Heated Steering Wheel System Wiring Diagram
G09118056Courtesy of © TOYOTA, LICENSE AGREEMENT TMS1002