lemon-mirror:
Home >> Lexus >> 2013 >> GS 450h >> Repair and Diagnosis >> Electrical >> Body Electrical >> OEM System Circuits >> Interior Light >> Notes

Interior Light: Notes

Fig 1: Interior Light Wiring Diagram (1 Of 14)
G09117806Courtesy of © TOYOTA, LICENSE AGREEMENT TMS1002
Fig 2: Interior Light Wiring Diagram (2 Of 14)
G09117807Courtesy of © TOYOTA, LICENSE AGREEMENT TMS1002
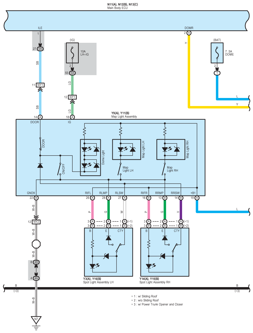
Fig 3: Interior Light Wiring Diagram (3 Of 14)
G09117808Courtesy of © TOYOTA, LICENSE AGREEMENT TMS1002
Fig 4: Interior Light Wiring Diagram (4 Of 14)
G09117809Courtesy of © TOYOTA, LICENSE AGREEMENT TMS1002
Fig 5: Interior Light Wiring Diagram (5 Of 14)
G09117810Courtesy of © TOYOTA, LICENSE AGREEMENT TMS1002
Fig 6: Interior Light Wiring Diagram (6 Of 14)
G09117811Courtesy of © TOYOTA, LICENSE AGREEMENT TMS1002
Fig 7: Interior Light Wiring Diagram (7 Of 14)
G09117812Courtesy of © TOYOTA, LICENSE AGREEMENT TMS1002
Fig 8: Interior Light Wiring Diagram (8 Of 14)
G09117813Courtesy of © TOYOTA, LICENSE AGREEMENT TMS1002
Fig 9: Interior Light Wiring Diagram (9 Of 14)
G09117814Courtesy of © TOYOTA, LICENSE AGREEMENT TMS1002
Fig 10: Interior Light Wiring Diagram (10 Of 14)
G09117815Courtesy of © TOYOTA, LICENSE AGREEMENT TMS1002
Fig 11: Interior Light Wiring Diagram (11 Of 14)
G09117816Courtesy of © TOYOTA, LICENSE AGREEMENT TMS1002
Fig 12: Interior Light Wiring Diagram (12 Of 14)
G09117817Courtesy of © TOYOTA, LICENSE AGREEMENT TMS1002
Fig 13: Interior Light Wiring Diagram (13 Of 14)
G09117818Courtesy of © TOYOTA, LICENSE AGREEMENT TMS1002
Fig 14: Interior Light Wiring Diagram (14 Of 14)
G09117819Courtesy of © TOYOTA, LICENSE AGREEMENT TMS1002