lemon-mirror:
Home >> Lexus >> 2013 >> GS 450h >> Repair and Diagnosis >> Electrical >> Body Electrical >> OEM System Circuits >> LEXUS Night View System >> Notes

LEXUS Night View System: Notes

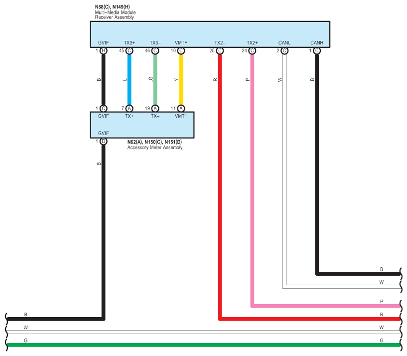
Fig 1: Lexus Night View System Wiring Diagram (1 Of 13)
G09118081Courtesy of © TOYOTA, LICENSE AGREEMENT TMS1002
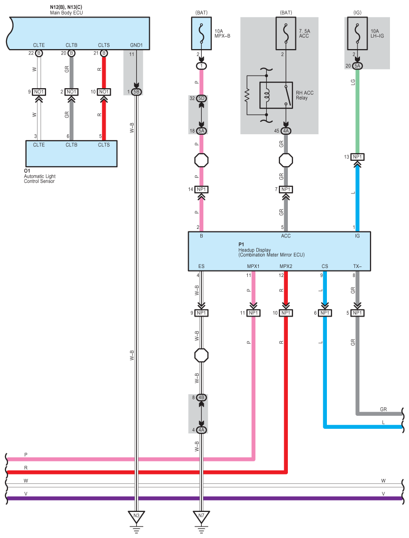
Fig 2: Lexus Night View System Wiring Diagram (2 Of 13)
G09118082Courtesy of © TOYOTA, LICENSE AGREEMENT TMS1002
Fig 3: Lexus Night View System Wiring Diagram (3 Of 13)
G09118083Courtesy of © TOYOTA, LICENSE AGREEMENT TMS1002
Fig 4: Lexus Night View System Wiring Diagram (4 Of 13)
G09118084Courtesy of © TOYOTA, LICENSE AGREEMENT TMS1002
Fig 5: Lexus Night View System Wiring Diagram (5 Of 13)
G09118085Courtesy of © TOYOTA, LICENSE AGREEMENT TMS1002
Fig 6: Lexus Night View System Wiring Diagram (6 Of 13)
G09118086Courtesy of © TOYOTA, LICENSE AGREEMENT TMS1002
Fig 7: Lexus Night View System Wiring Diagram (7 Of 13)
G09118087Courtesy of © TOYOTA, LICENSE AGREEMENT TMS1002
Fig 8: Lexus Night View System Wiring Diagram (8 Of 13)
G09118088Courtesy of © TOYOTA, LICENSE AGREEMENT TMS1002
Fig 9: Lexus Night View System Wiring Diagram (9 Of 13)
G09118089Courtesy of © TOYOTA, LICENSE AGREEMENT TMS1002
Fig 10: Lexus Night View System Wiring Diagram (10 Of 13)
G09118090Courtesy of © TOYOTA, LICENSE AGREEMENT TMS1002
Fig 11: Lexus Night View System Wiring Diagram (11 Of 13)
G09118091Courtesy of © TOYOTA, LICENSE AGREEMENT TMS1002
Fig 12: Lexus Night View System Wiring Diagram (12 Of 13)
G09118092Courtesy of © TOYOTA, LICENSE AGREEMENT TMS1002
Fig 13: Lexus Night View System Wiring Diagram (13 Of 13)
G09118093Courtesy of © TOYOTA, LICENSE AGREEMENT TMS1002