lemon-mirror:
Home >> Lexus >> 2013 >> GS 450h >> Repair and Diagnosis >> Electrical >> Body Electrical >> OEM System Circuits >> Power Window >> Notes

Power Window: Notes

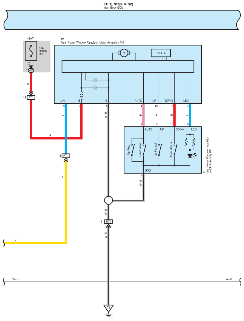
Fig 1: Power Window Wiring Diagram (1 Of 10)
G09117873Courtesy of © TOYOTA, LICENSE AGREEMENT TMS1002
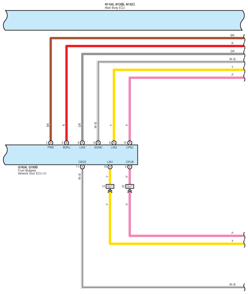
Fig 2: Power Window Wiring Diagram (2 Of 10)
G09117874Courtesy of © TOYOTA, LICENSE AGREEMENT TMS1002
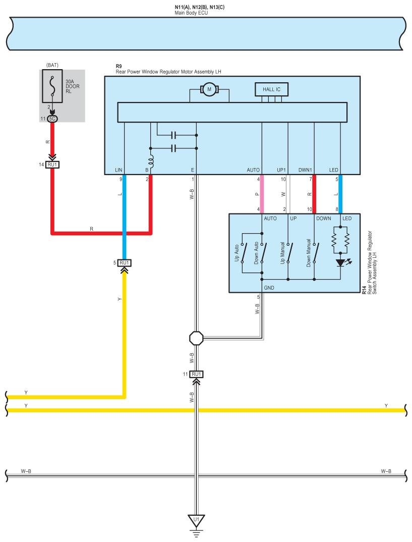
Fig 3: Power Window Wiring Diagram (3 Of 10)
G09117875Courtesy of © TOYOTA, LICENSE AGREEMENT TMS1002
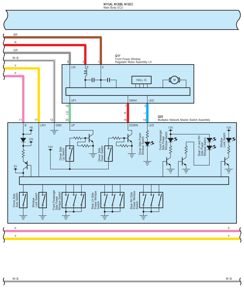
Fig 4: Power Window Wiring Diagram (4 Of 10)
G09117876Courtesy of © TOYOTA, LICENSE AGREEMENT TMS1002
Fig 5: Power Window Wiring Diagram (5 Of 10)
G09117877Courtesy of © TOYOTA, LICENSE AGREEMENT TMS1002
Fig 6: Power Window Wiring Diagram (6 Of 10)
G09117878Courtesy of © TOYOTA, LICENSE AGREEMENT TMS1002
Fig 7: Power Window Wiring Diagram (7 Of 10)
G09117879Courtesy of © TOYOTA, LICENSE AGREEMENT TMS1002
Fig 8: Power Window Wiring Diagram (8 Of 10)
G09117880Courtesy of © TOYOTA, LICENSE AGREEMENT TMS1002
Fig 9: Power Window Wiring Diagram (9 Of 10)
G09117881Courtesy of © TOYOTA, LICENSE AGREEMENT TMS1002
Fig 10: Power Window Wiring Diagram (10 Of 10)
G09117882Courtesy of © TOYOTA, LICENSE AGREEMENT TMS1002