lemon-mirror:
Home >> Lexus >> 2013 >> GS 450h >> Repair and Diagnosis >> Electrical >> Body Electrical >> OEM System Circuits >> Stop Light >> Notes

Stop Light: Notes

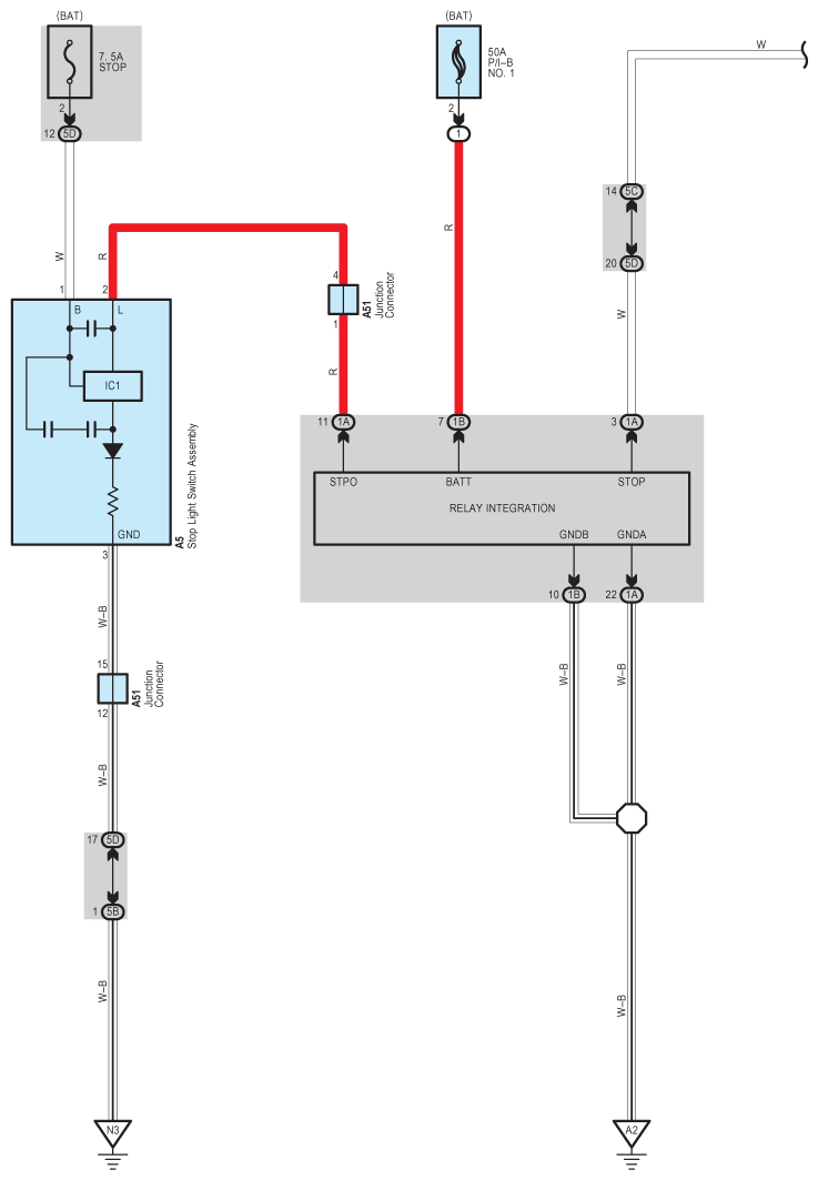
Fig 1: Stop Light Wiring Diagram (1 Of 2)
G09117844Courtesy of © TOYOTA, LICENSE AGREEMENT TMS1002
Fig 2: Stop Light Wiring Diagram (2 Of 2)
G09117845Courtesy of © TOYOTA, LICENSE AGREEMENT TMS1002