lemon-mirror:
Home >> Lexus >> 2013 >> GX 460 Base >> Repair and Diagnosis >> Electrical >> Body Electrical >> OEM System Circuits >> Cool Box >> Notes

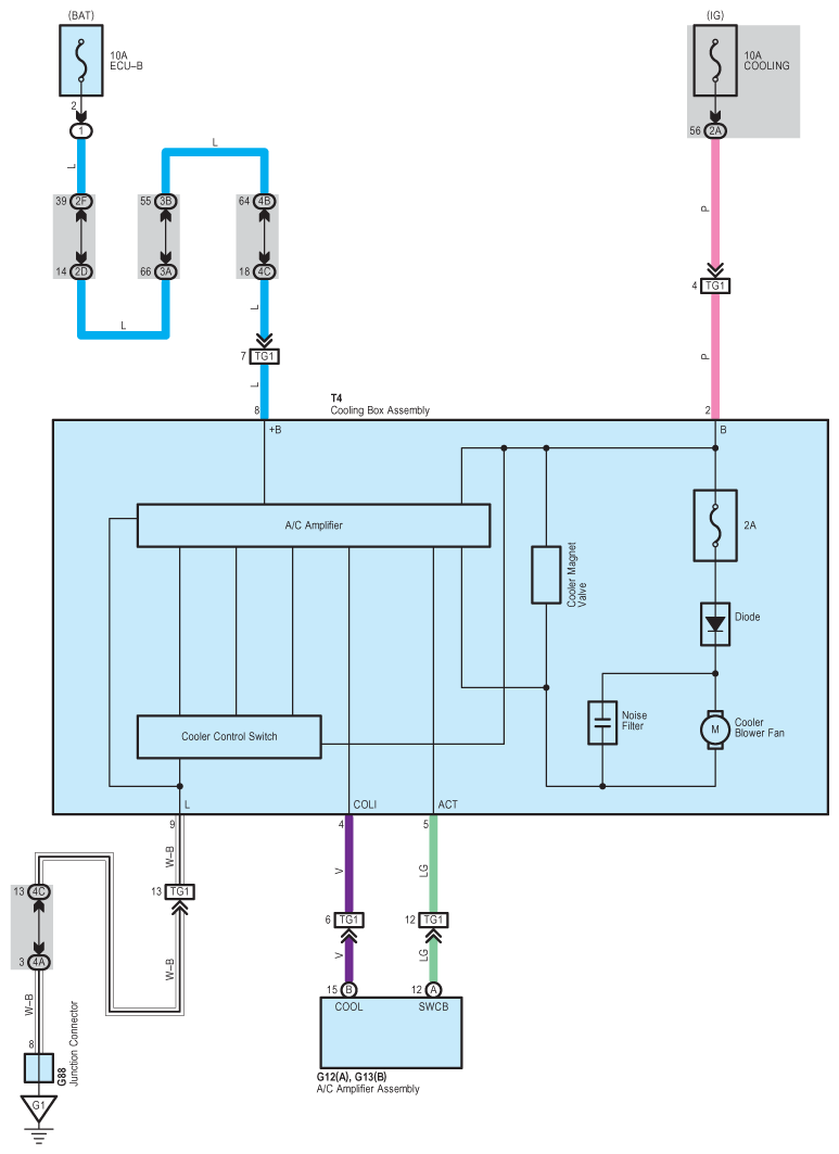
Cool Box: Notes

Fig 1: Cool Box - Wiring Diagram
G09114865Courtesy of © TOYOTA, LICENSE AGREEMENT TMS1002