lemon-mirror:
Home >> Lexus >> 2013 >> GX 460 Base >> Repair and Diagnosis >> Electrical >> Body Electrical >> OEM System Circuits >> Glass Hatch Opener >> Notes

Glass Hatch Opener: Notes

Fig 1: Glass Hatch Opener - Wiring Diagram (1 Of 5)
G09114704Courtesy of © TOYOTA, LICENSE AGREEMENT TMS1002
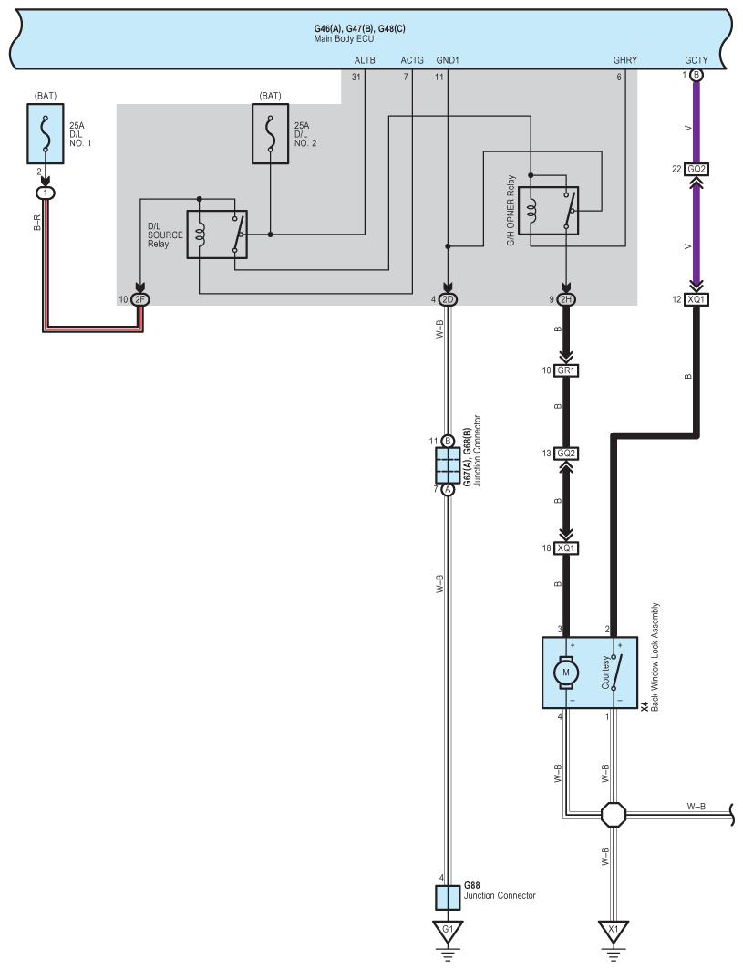
Fig 2: Glass Hatch Opener - Wiring Diagram (2 Of 5)
G09114705Courtesy of © TOYOTA, LICENSE AGREEMENT TMS1002
Fig 3: Glass Hatch Opener - Wiring Diagram (3 Of 5)
G09114706Courtesy of © TOYOTA, LICENSE AGREEMENT TMS1002
Fig 4: Glass Hatch Opener - Wiring Diagram (4 Of 5)
G09114707Courtesy of © TOYOTA, LICENSE AGREEMENT TMS1002
Fig 5: Glass Hatch Opener - Wiring Diagram (5 Of 5)
G09114708Courtesy of © TOYOTA, LICENSE AGREEMENT TMS1002