lemon-mirror:
Home >> Lexus >> 2013 >> GX 460 Base >> Repair and Diagnosis >> Electrical >> Body Electrical >> OEM System Circuits >> Shift Lock >> Notes

Shift Lock: Notes

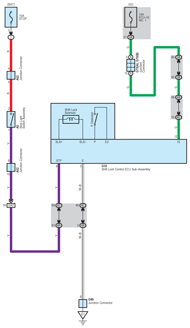
Fig 1: Shift Lock - Wiring Diagram
G09114645Courtesy of © TOYOTA, LICENSE AGREEMENT TMS1002