lemon-mirror:
Home >> Lexus >> 2013 >> IS 250C Base >> Repair and Diagnosis >> Electrical >> Body Electrical >> OEM System Circuits >> Automatic Light Control >> Notes

Automatic Light Control: Notes

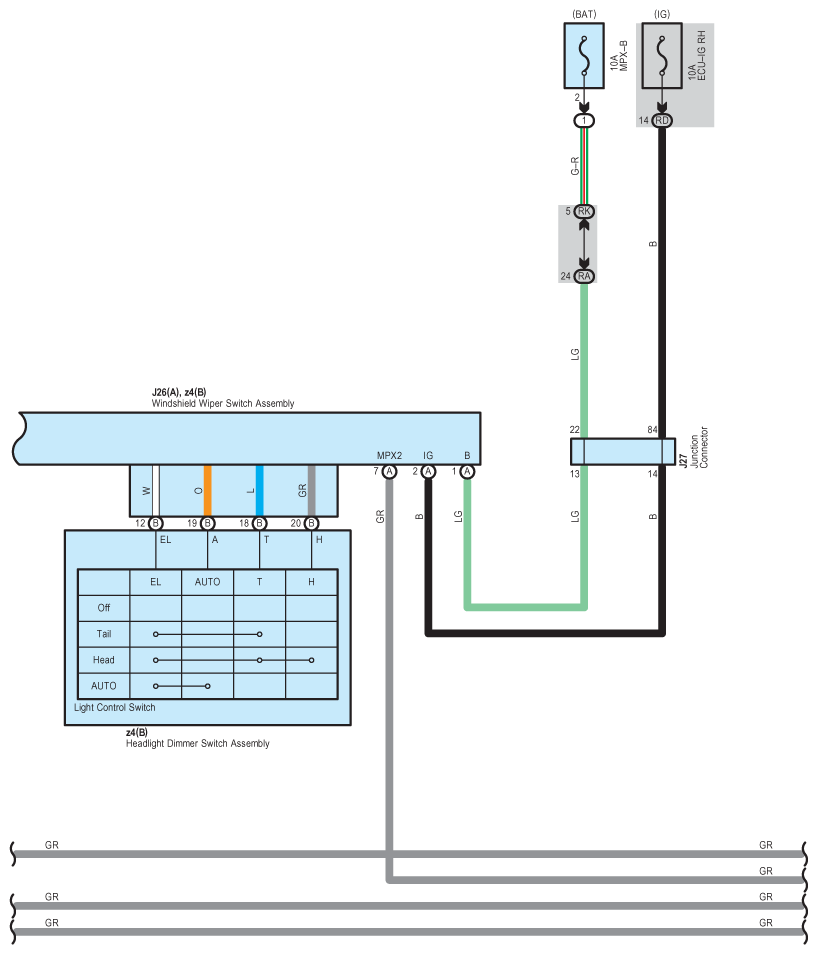
Fig 1: Automatic Light Control Wiring Diagram (1 Of 4)
G09121211Courtesy of © TOYOTA, LICENSE AGREEMENT TMS1002
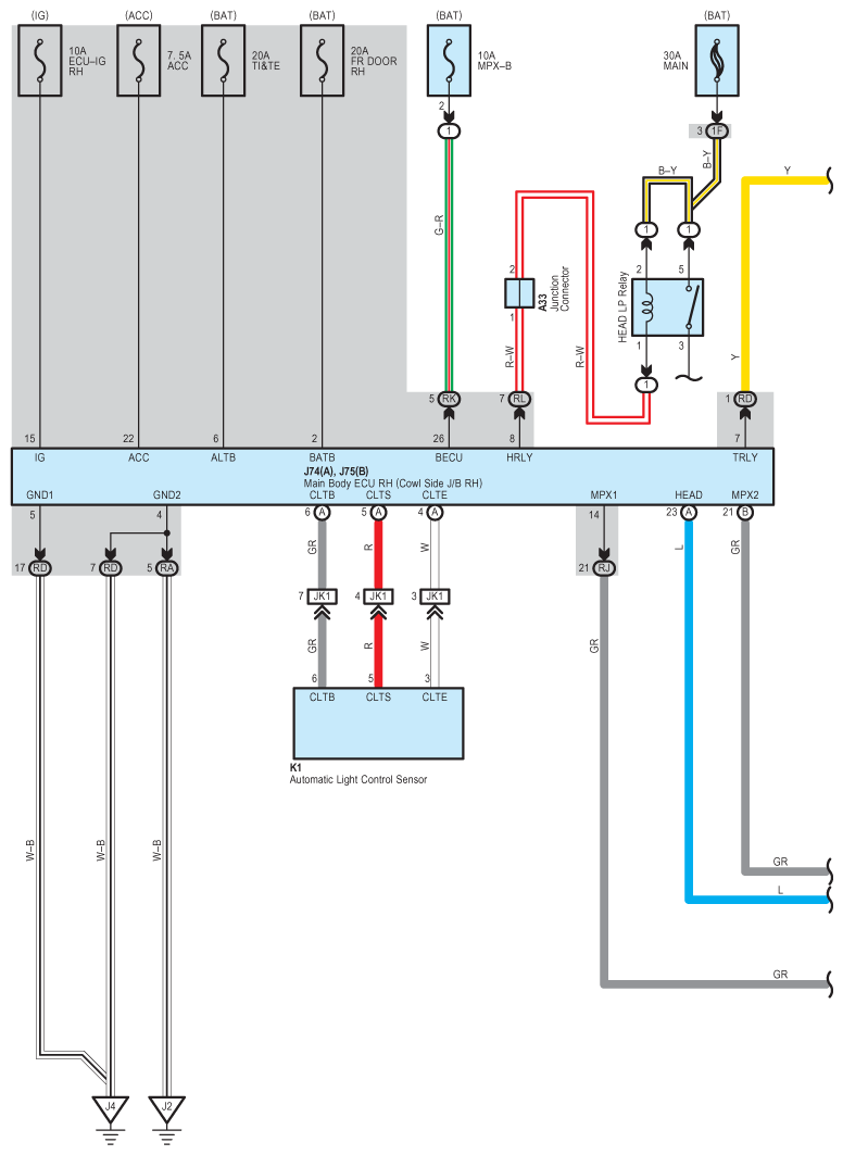
Fig 2: Automatic Light Control Wiring Diagram (2 Of 4)
G09121212Courtesy of © TOYOTA, LICENSE AGREEMENT TMS1002
Fig 3: Automatic Light Control Wiring Diagram (3 Of 4)
G09121213Courtesy of © TOYOTA, LICENSE AGREEMENT TMS1002
Fig 4: Automatic Light Control Wiring Diagram (4 Of 4)
G09121214Courtesy of © TOYOTA, LICENSE AGREEMENT TMS1002