lemon-mirror:
Home >> Lexus >> 2013 >> IS 250C Base >> Repair and Diagnosis >> Electrical >> Body Electrical >> OEM System Circuits >> Clock >> Notes

OEM System Circuits: Clock: Notes

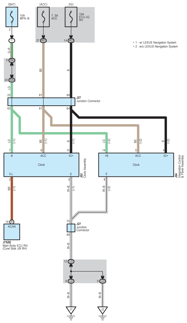
Fig 1: Clock Wiring Diagram
G09121424Courtesy of © TOYOTA, LICENSE AGREEMENT TMS1002