lemon-mirror:
Home >> Lexus >> 2013 >> IS 250C Base >> Repair and Diagnosis >> Electrical >> Body Electrical >> OEM System Circuits >> Front Fog Light >> Notes

Front Fog Light: Notes

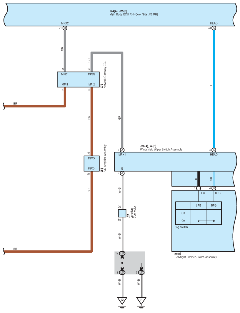
Fig 1: Front Fog Light Wiring Diagram (1 Of 5)
G09121206Courtesy of © TOYOTA, LICENSE AGREEMENT TMS1002
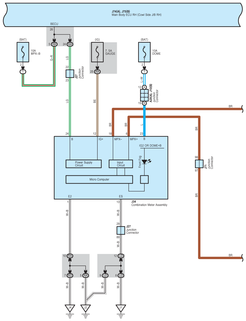
Fig 2: Front Fog Light Wiring Diagram (2 Of 5)
G09121207Courtesy of © TOYOTA, LICENSE AGREEMENT TMS1002
Fig 3: Front Fog Light Wiring Diagram (3 Of 5)
G09121208Courtesy of © TOYOTA, LICENSE AGREEMENT TMS1002
Fig 4: Front Fog Light Wiring Diagram (4 Of 5)
G09121209Courtesy of © TOYOTA, LICENSE AGREEMENT TMS1002
Fig 5: Front Fog Light Wiring Diagram (5 Of 5)
G09121210Courtesy of © TOYOTA, LICENSE AGREEMENT TMS1002