lemon-mirror:
Home >> Lexus >> 2013 >> IS 250C Base >> Repair and Diagnosis >> Electrical >> Body Electrical >> OEM System Circuits >> Headlight Cleaner >> Notes

Headlight Cleaner: Notes

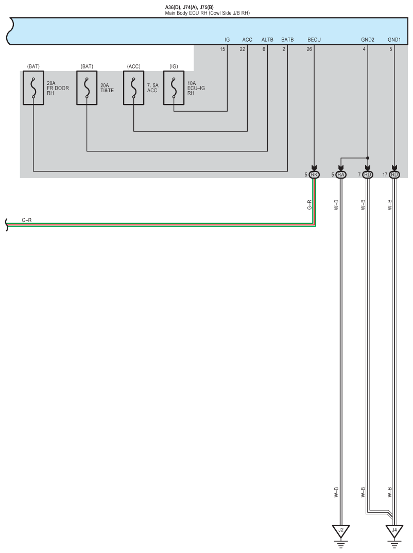
Fig 1: Headlight Cleaner Wiring Diagram (1 Of 3)
G09121228Courtesy of © TOYOTA, LICENSE AGREEMENT TMS1002
Fig 2: Headlight Cleaner Wiring Diagram (2 Of 3)
G09121229Courtesy of © TOYOTA, LICENSE AGREEMENT TMS1002
Fig 3: Headlight Cleaner Wiring Diagram (3 Of 3)
G09121230Courtesy of © TOYOTA, LICENSE AGREEMENT TMS1002