lemon-mirror:
Home >> Lexus >> 2013 >> IS 250C Base >> Repair and Diagnosis >> Electrical >> Body Electrical >> OEM System Circuits >> Power Source >> Notes

Power Source: Notes

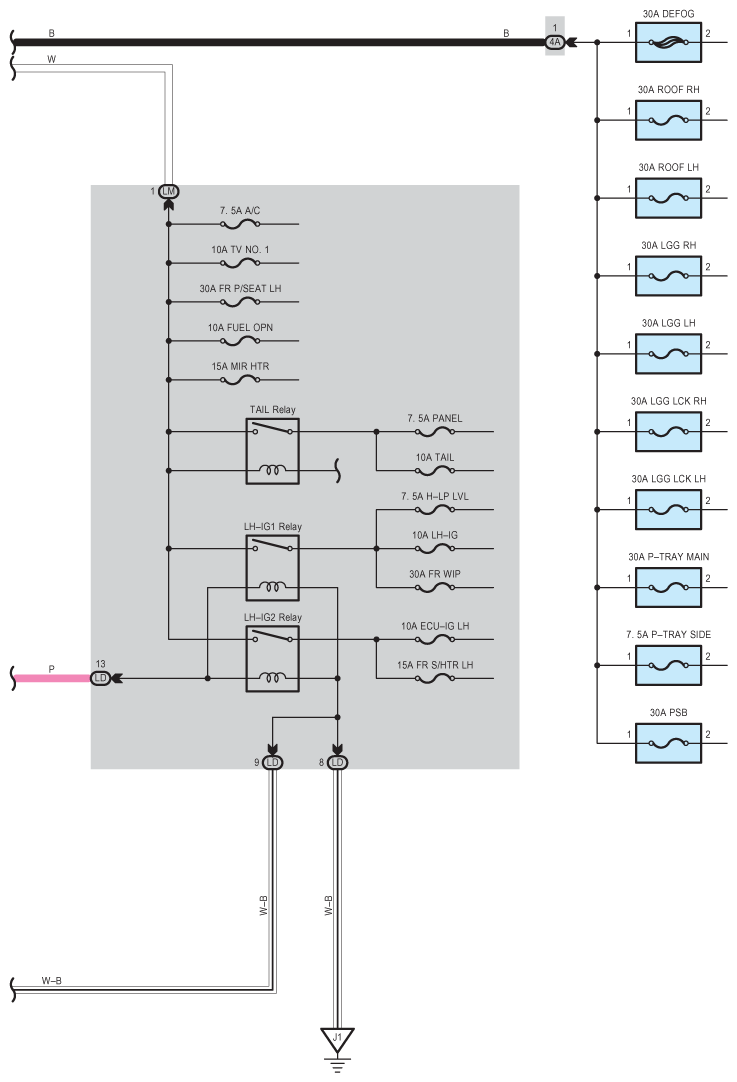
Fig 1: Power Source Wiring Diagram (1 Of 5)
G09121092Courtesy of © TOYOTA, LICENSE AGREEMENT TMS1002
Fig 2: Power Source Wiring Diagram (2 Of 5)
G09121093Courtesy of © TOYOTA, LICENSE AGREEMENT TMS1002
Fig 3: Power Source Wiring Diagram (3 Of 5)
G09121094Courtesy of © TOYOTA, LICENSE AGREEMENT TMS1002
Fig 4: Power Source Wiring Diagram (4 Of 5)
G09121095Courtesy of © TOYOTA, LICENSE AGREEMENT TMS1002
Fig 5: Power Source Wiring Diagram (5 Of 5)
G09121096Courtesy of © TOYOTA, LICENSE AGREEMENT TMS1002