lemon-mirror:
Home >> Lexus >> 2013 >> IS 250C Base >> Repair and Diagnosis >> Electrical >> Body Electrical >> OEM System Circuits >> Retractable Hardtop >> Notes

Retractable Hardtop: Notes

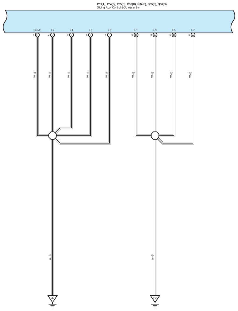
Fig 1: Retractable Hardtop Wiring Diagram (1 Of 19)
G09121355Courtesy of © TOYOTA, LICENSE AGREEMENT TMS1002
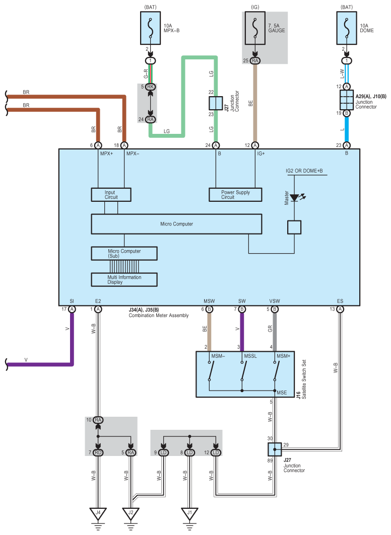
Fig 2: Retractable Hardtop Wiring Diagram (2 Of 19)
G09121356Courtesy of © TOYOTA, LICENSE AGREEMENT TMS1002
Fig 3: Retractable Hardtop Wiring Diagram (3 Of 19)
G09121357Courtesy of © TOYOTA, LICENSE AGREEMENT TMS1002
Fig 4: Retractable Hardtop Wiring Diagram (4 Of 19)
G09121358Courtesy of © TOYOTA, LICENSE AGREEMENT TMS1002
Fig 5: Retractable Hardtop Wiring Diagram (5 Of 19)
G09121359Courtesy of © TOYOTA, LICENSE AGREEMENT TMS1002
Fig 6: Retractable Hardtop Wiring Diagram (6 Of 19)
G09121360Courtesy of © TOYOTA, LICENSE AGREEMENT TMS1002
Fig 7: Retractable Hardtop Wiring Diagram (7 Of 19)
G09121361Courtesy of © TOYOTA, LICENSE AGREEMENT TMS1002
Fig 8: Retractable Hardtop Wiring Diagram (8 Of 19)
G09121362Courtesy of © TOYOTA, LICENSE AGREEMENT TMS1002
Fig 9: Retractable Hardtop Wiring Diagram (9 Of 19)
G09121363Courtesy of © TOYOTA, LICENSE AGREEMENT TMS1002
Fig 10: Retractable Hardtop Wiring Diagram (10 Of 19)
G09121364Courtesy of © TOYOTA, LICENSE AGREEMENT TMS1002
Fig 11: Retractable Hardtop Wiring Diagram (11 Of 19)
G09121365Courtesy of © TOYOTA, LICENSE AGREEMENT TMS1002
Fig 12: Retractable Hardtop Wiring Diagram (12 Of 19)
G09121366Courtesy of © TOYOTA, LICENSE AGREEMENT TMS1002
Fig 13: Retractable Hardtop Wiring Diagram (13 Of 19)
G09121367Courtesy of © TOYOTA, LICENSE AGREEMENT TMS1002
Fig 14: Retractable Hardtop Wiring Diagram (14 Of 19)
G09121368Courtesy of © TOYOTA, LICENSE AGREEMENT TMS1002
Fig 15: Retractable Hardtop Wiring Diagram (15 Of 19)
G09121369Courtesy of © TOYOTA, LICENSE AGREEMENT TMS1002
Fig 16: Retractable Hardtop Wiring Diagram (16 Of 19)
G09121370Courtesy of © TOYOTA, LICENSE AGREEMENT TMS1002
Fig 17: Retractable Hardtop Wiring Diagram (17 Of 19)
G09121371Courtesy of © TOYOTA, LICENSE AGREEMENT TMS1002
Fig 18: Retractable Hardtop Wiring Diagram (18 Of 19)
G09121372Courtesy of © TOYOTA, LICENSE AGREEMENT TMS1002
Fig 19: Retractable Hardtop Wiring Diagram (19 Of 19)
G09121373Courtesy of © TOYOTA, LICENSE AGREEMENT TMS1002