lemon-mirror:
Home >> Lexus >> 2013 >> IS 250C Base >> Repair and Diagnosis >> Electrical >> Body Electrical >> OEM System Circuits >> Taillight >> Notes

OEM System Circuits: Taillight: Notes

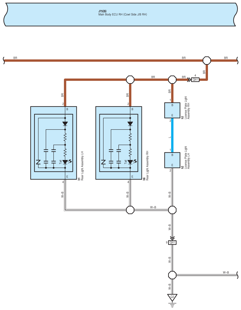
Fig 1: Taillight Wiring Diagram (1 Of 8)
G09121195Courtesy of © TOYOTA, LICENSE AGREEMENT TMS1002
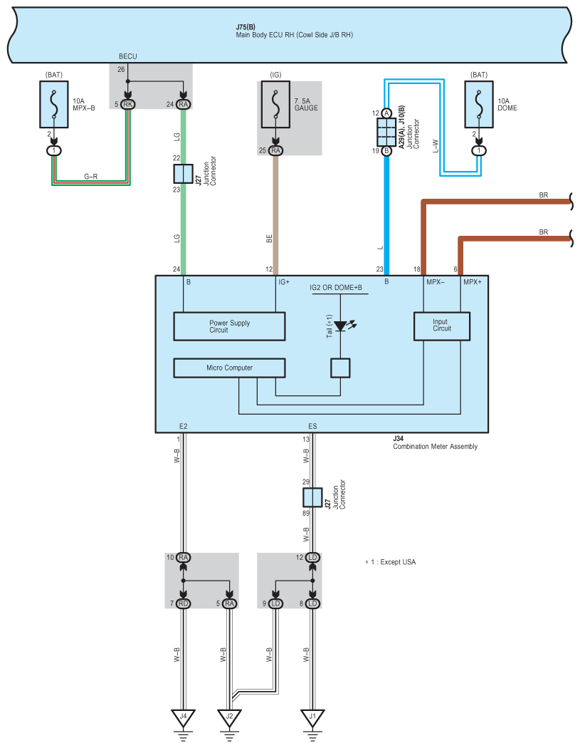
Fig 2: Taillight Wiring Diagram (2 Of 8)
G09121196Courtesy of © TOYOTA, LICENSE AGREEMENT TMS1002
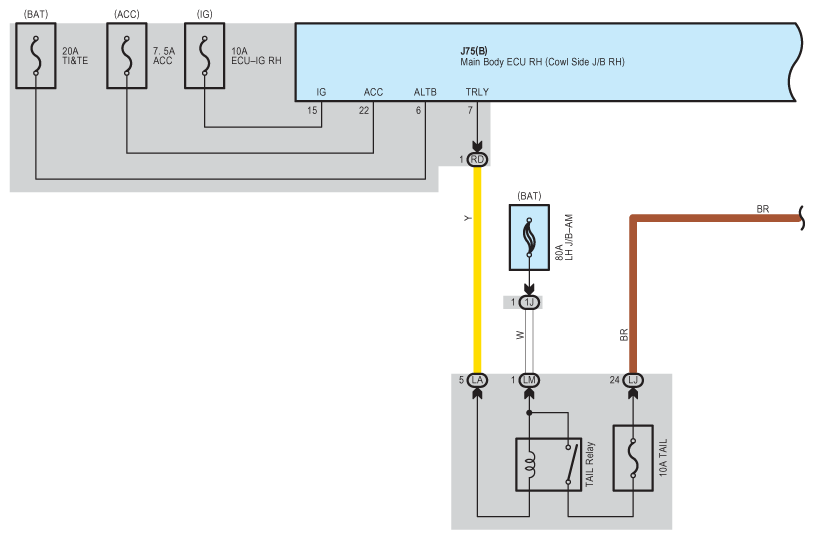
Fig 3: Taillight Wiring Diagram (3 Of 8)
G09121197Courtesy of © TOYOTA, LICENSE AGREEMENT TMS1002
Fig 4: Taillight Wiring Diagram (4 Of 8)
G09121198Courtesy of © TOYOTA, LICENSE AGREEMENT TMS1002
Fig 5: Taillight Wiring Diagram (5 Of 8)
G09121199Courtesy of © TOYOTA, LICENSE AGREEMENT TMS1002
Fig 6: Taillight Wiring Diagram (6 Of 8)
G09121200Courtesy of © TOYOTA, LICENSE AGREEMENT TMS1002
Fig 7: Taillight Wiring Diagram (7 Of 8)
G09121201Courtesy of © TOYOTA, LICENSE AGREEMENT TMS1002
Fig 8: Taillight Wiring Diagram (8 Of 8)
G09121202Courtesy of © TOYOTA, LICENSE AGREEMENT TMS1002