lemon-mirror:
Home >> Lexus >> 2013 >> IS 350 Base, AWD >> Repair and Diagnosis >> Electrical >> Body Electrical >> OEM System Circuits >> Front Fog Light >> Notes

Front Fog Light: Notes

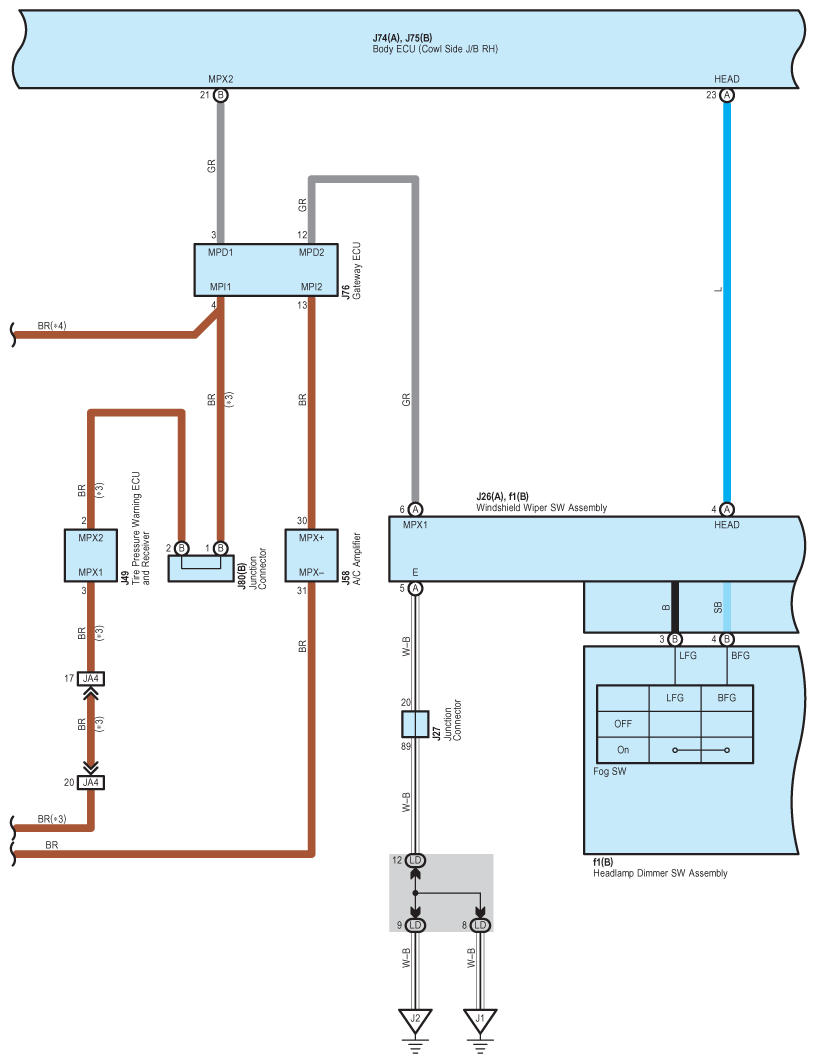
Fig 1: Front Fog Light System Wiring Diagram (1 Of 5)
G09119055Courtesy of © TOYOTA, LICENSE AGREEMENT TMS1002
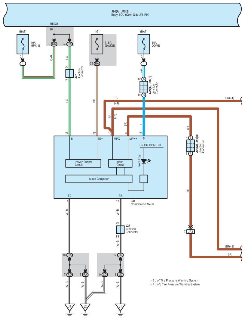
Fig 2: Front Fog Light System Wiring Diagram (2 Of 5)
G09119056Courtesy of © TOYOTA, LICENSE AGREEMENT TMS1002
Fig 3: Front Fog Light System Wiring Diagram (3 Of 5)
G09119057Courtesy of © TOYOTA, LICENSE AGREEMENT TMS1002
Fig 4: Front Fog Light System Wiring Diagram (4 Of 5)
G09119058Courtesy of © TOYOTA, LICENSE AGREEMENT TMS1002
Fig 5: Front Fog Light System Wiring Diagram (5 Of 5)
G09119059Courtesy of © TOYOTA, LICENSE AGREEMENT TMS1002