lemon-mirror:
Home >> Lexus >> 2013 >> IS 350 Base, AWD >> Repair and Diagnosis >> Electrical >> Body Electrical >> OEM System Circuits >> Interior Light >> Notes

Interior Light: Notes

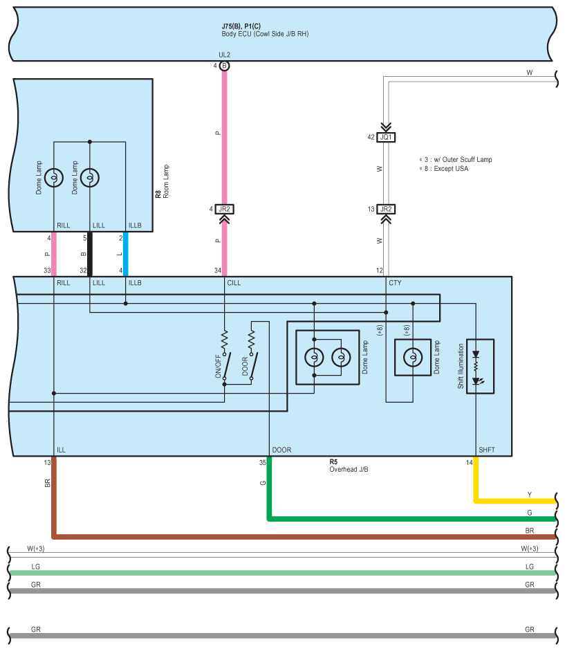
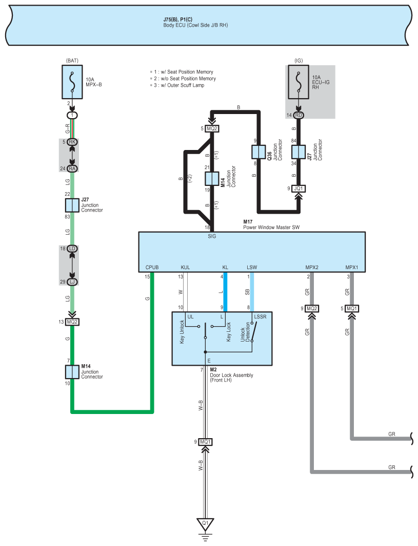
Fig 1: Interior Light System Wiring Diagram (1 Of 12)
G09119019Courtesy of © TOYOTA, LICENSE AGREEMENT TMS1002
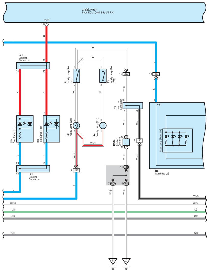
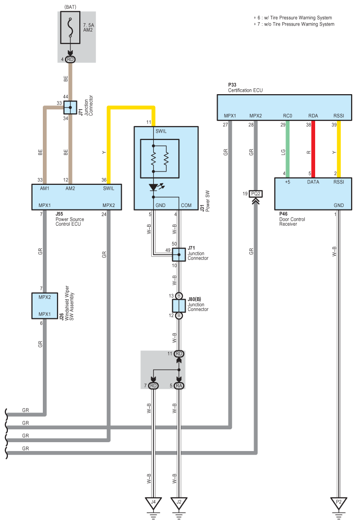
Fig 2: Interior Light System Wiring Diagram (2 Of 12)
G09119020Courtesy of © TOYOTA, LICENSE AGREEMENT TMS1002
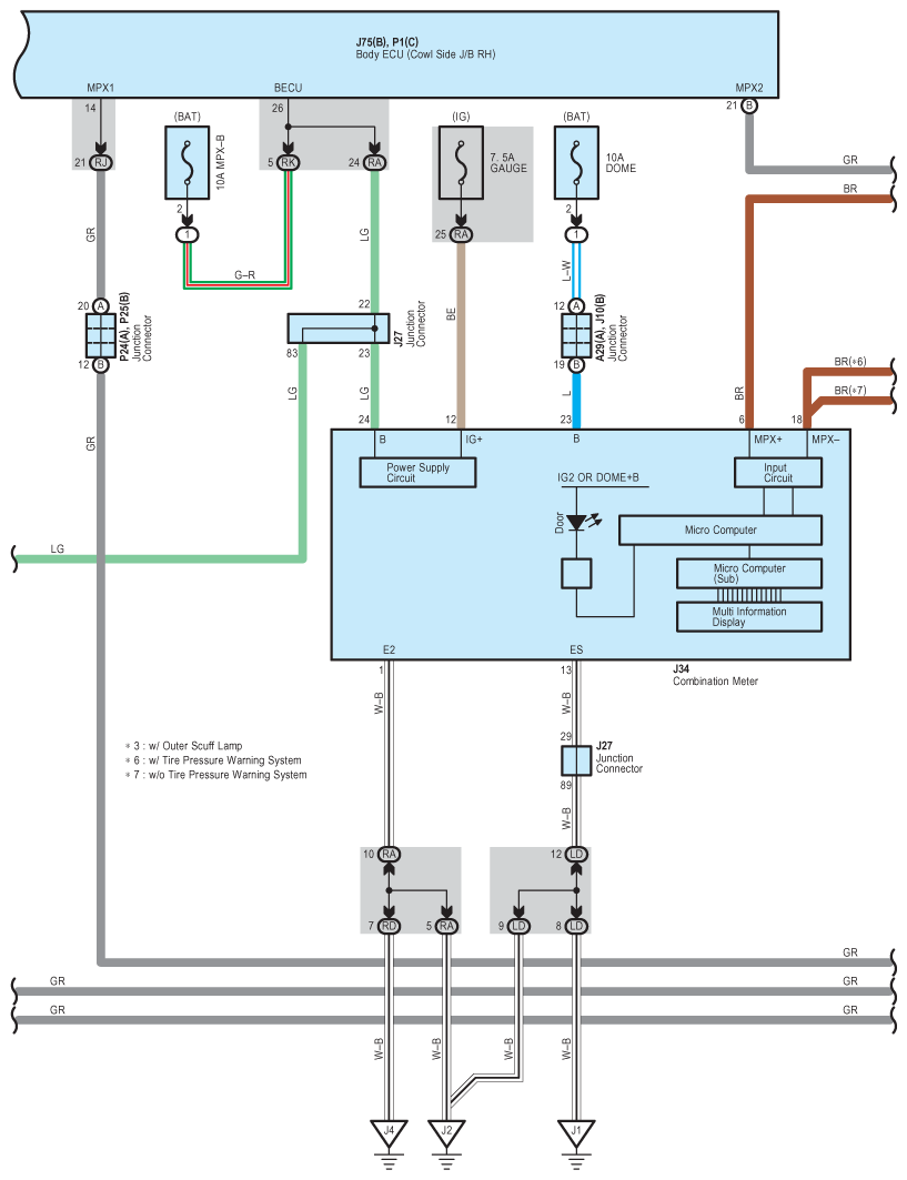
Fig 3: Interior Light System Wiring Diagram (3 Of 12)
G09119021Courtesy of © TOYOTA, LICENSE AGREEMENT TMS1002
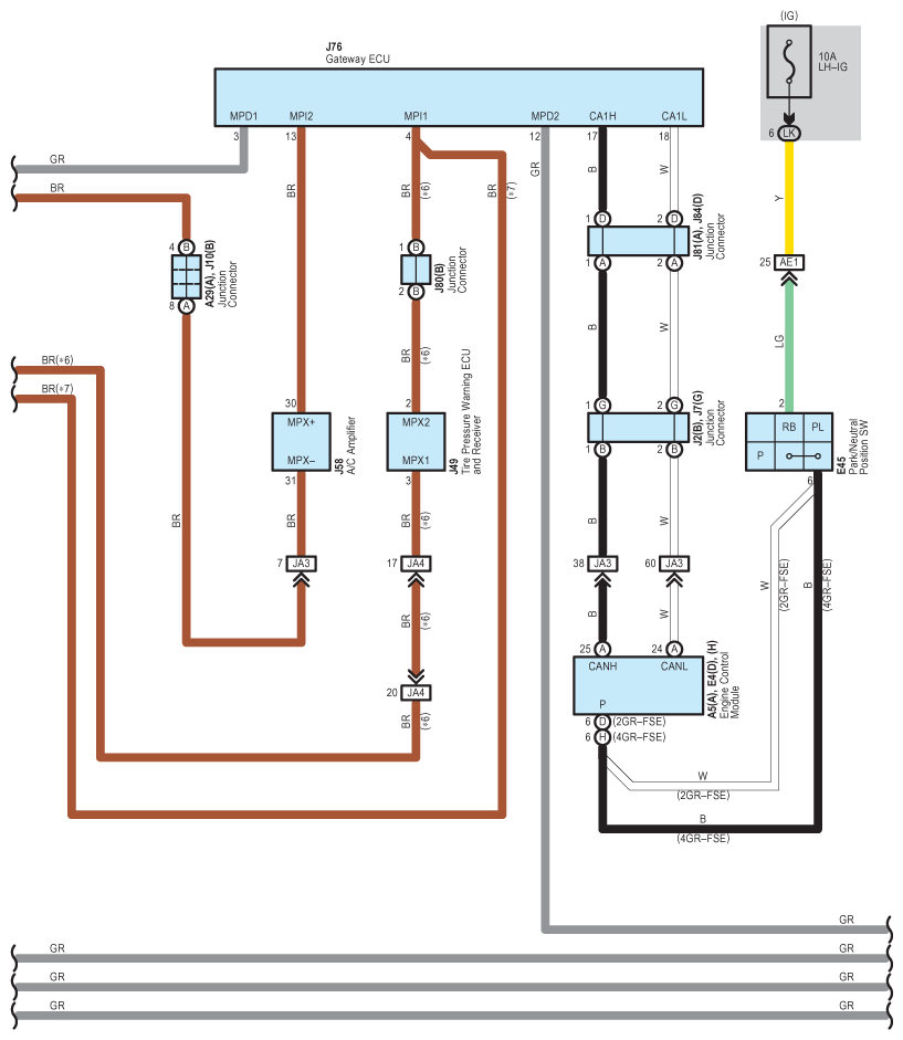
Fig 4: Interior Light System Wiring Diagram (4 Of 12)
G09119022Courtesy of © TOYOTA, LICENSE AGREEMENT TMS1002
Fig 5: Interior Light System Wiring Diagram (5 Of 12)
G09119023Courtesy of © TOYOTA, LICENSE AGREEMENT TMS1002
Fig 6: Interior Light System Wiring Diagram (6 Of 12)
G09119024Courtesy of © TOYOTA, LICENSE AGREEMENT TMS1002
Fig 7: Interior Light System Wiring Diagram (7 Of 12)
G09119025Courtesy of © TOYOTA, LICENSE AGREEMENT TMS1002
Fig 8: Interior Light System Wiring Diagram (8 Of 12)
G09119026Courtesy of © TOYOTA, LICENSE AGREEMENT TMS1002
Fig 9: Interior Light System Wiring Diagram (9 Of 12)
G09119027Courtesy of © TOYOTA, LICENSE AGREEMENT TMS1002
Fig 10: Interior Light System Wiring Diagram (10 Of 12)
G09119028Courtesy of © TOYOTA, LICENSE AGREEMENT TMS1002
Fig 11: Interior Light System Wiring Diagram (11 Of 12)
G09119029Courtesy of © TOYOTA, LICENSE AGREEMENT TMS1002
Fig 12: Interior Light System Wiring Diagram (12 Of 12)
G09119030Courtesy of © TOYOTA, LICENSE AGREEMENT TMS1002