lemon-mirror:
Home >> Lexus >> 2013 >> IS 350 Base, AWD >> Repair and Diagnosis >> Electrical >> Body Electrical >> OEM System Circuits >> Rear Sunshade >> Notes

Rear Sunshade: Notes

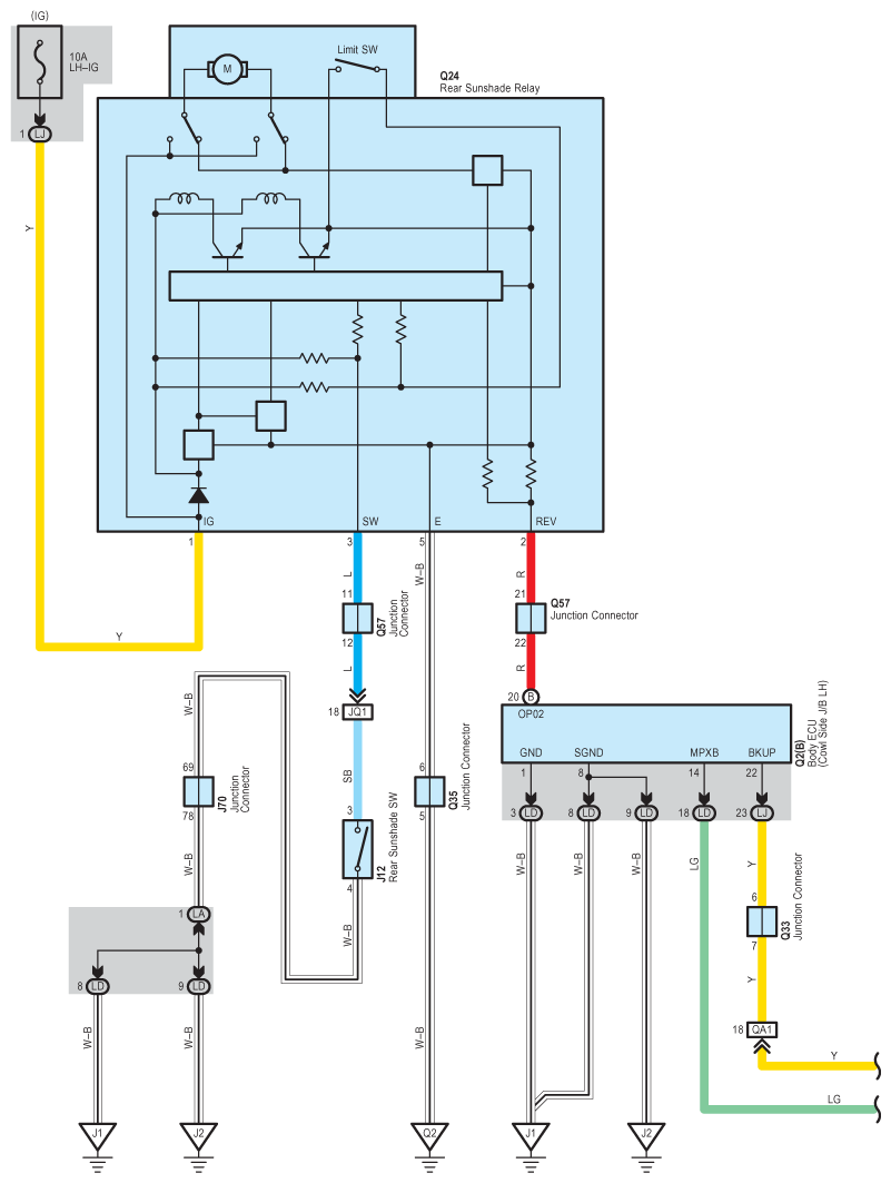
Fig 1: Rear Sunshade System Wiring Diagram (1 Of 2)
G09119182Courtesy of © TOYOTA, LICENSE AGREEMENT TMS1002
Fig 2: Rear Sunshade System Wiring Diagram (2 Of 2)
G09119183Courtesy of © TOYOTA, LICENSE AGREEMENT TMS1002