lemon-mirror:
Home >> Lexus >> 2013 >> IS 350C Base >> Repair and Diagnosis >> Electrical >> Body Electrical >> OEM System Circuits >> Electric Tension Reducer >> Notes

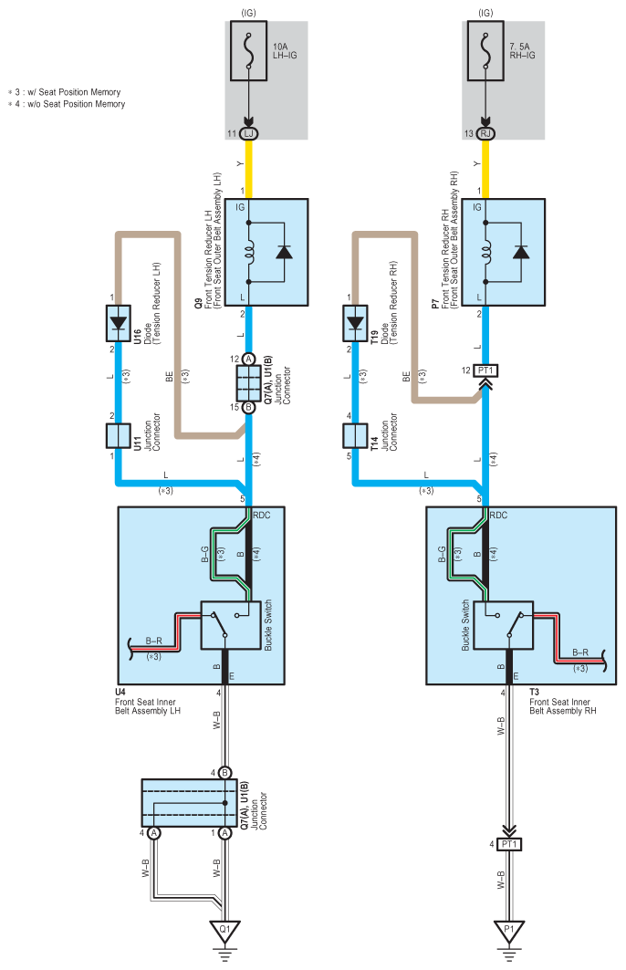
Electric Tension Reducer: Notes

Fig 1: Electric Tension Reducer Wiring Diagram
G09121379Courtesy of © TOYOTA, LICENSE AGREEMENT TMS1002