lemon-mirror:
Home >> Lexus >> 2013 >> IS 350C Base >> Repair and Diagnosis >> Electrical >> Body Electrical >> OEM System Circuits >> Front Wiper and Washer >> Notes

Front Wiper and Washer: Notes

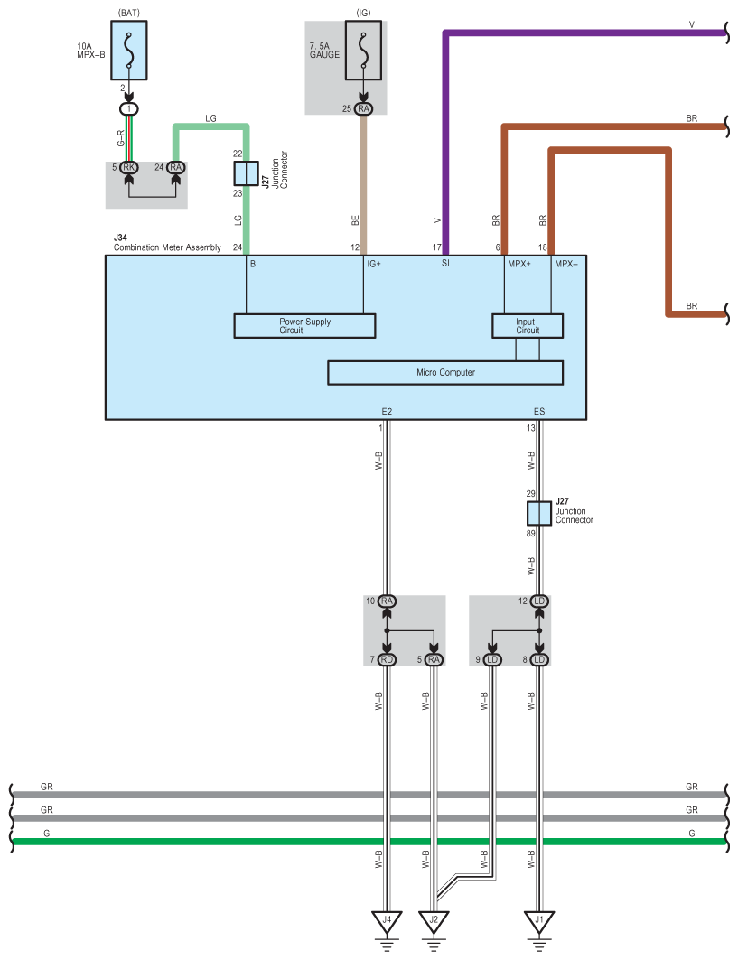
Fig 1: Front Wiper And Washer Wiring Diagram (1 Of 6)
G09121231Courtesy of © TOYOTA, LICENSE AGREEMENT TMS1002
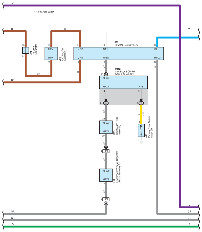
Fig 2: Front Wiper And Washer Wiring Diagram (2 Of 6)
G09121232Courtesy of © TOYOTA, LICENSE AGREEMENT TMS1002
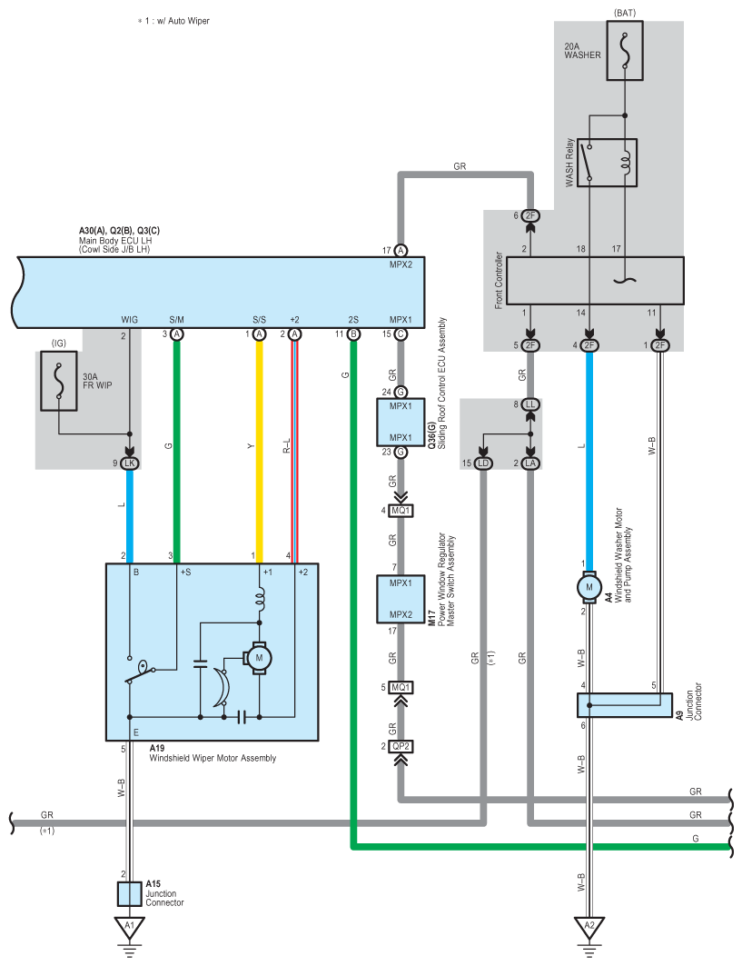
Fig 3: Front Wiper And Washer Wiring Diagram (3 Of 6)
G09121233Courtesy of © TOYOTA, LICENSE AGREEMENT TMS1002
Fig 4: Front Wiper And Washer Wiring Diagram (4 Of 6)
G09121234Courtesy of © TOYOTA, LICENSE AGREEMENT TMS1002
Fig 5: Front Wiper And Washer Wiring Diagram (5 Of 6)
G09121235Courtesy of © TOYOTA, LICENSE AGREEMENT TMS1002
Fig 6: Front Wiper And Washer Wiring Diagram (6 Of 6)
G09121236Courtesy of © TOYOTA, LICENSE AGREEMENT TMS1002