lemon-mirror:
Home >> Lexus >> 2013 >> IS 350C Base >> Repair and Diagnosis >> Electrical >> Body Electrical >> OEM System Circuits >> Ignition (2GR-FSE) >> Notes

Ignition (2GR-FSE): Notes

Fig 1: Ignition (2GR-FSE) Wiring Diagram (1 Of 2)
G09121115Courtesy of © TOYOTA, LICENSE AGREEMENT TMS1002
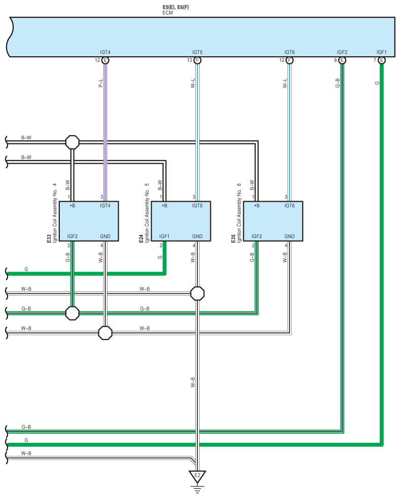
Fig 2: Ignition (2GR-FSE) Wiring Diagram (2 Of 2)
G09121116Courtesy of © TOYOTA, LICENSE AGREEMENT TMS1002