lemon-mirror:
Home >> Lexus >> 2013 >> IS 350C Base >> Repair and Diagnosis >> Electrical >> Body Electrical >> OEM System Circuits >> Illumination >> Notes

OEM System Circuits: Illumination: Notes

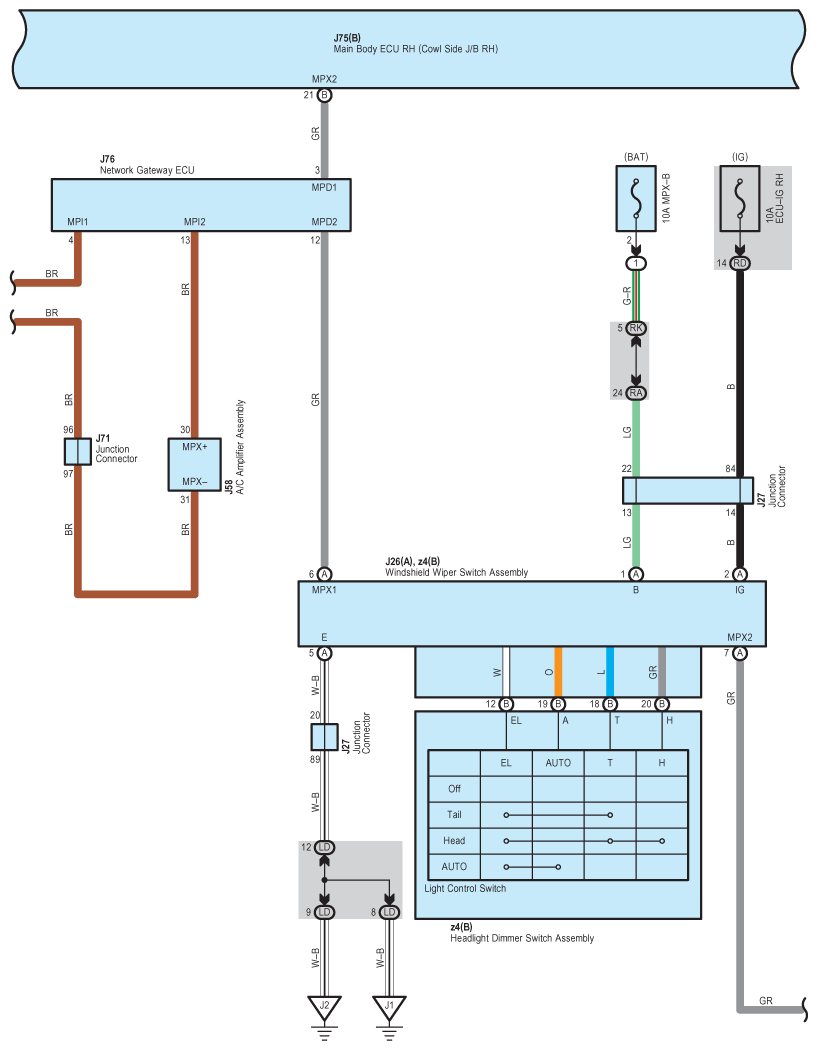
Fig 1: Illumination Wiring Diagram (1 Of 8)
G09121187Courtesy of © TOYOTA, LICENSE AGREEMENT TMS1002
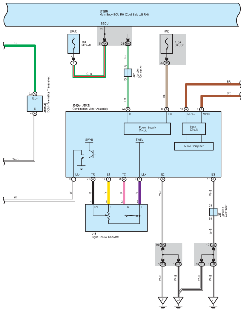
Fig 2: Illumination Wiring Diagram (2 Of 8)
G09121188Courtesy of © TOYOTA, LICENSE AGREEMENT TMS1002
Fig 3: Illumination Wiring Diagram (3 Of 8)
G09121189Courtesy of © TOYOTA, LICENSE AGREEMENT TMS1002
Fig 4: Illumination Wiring Diagram (4 Of 8)
G09121190Courtesy of © TOYOTA, LICENSE AGREEMENT TMS1002
Fig 5: Illumination Wiring Diagram (5 Of 8)
G09121191Courtesy of © TOYOTA, LICENSE AGREEMENT TMS1002
Fig 6: Illumination Wiring Diagram (6 Of 8)
G09121192Courtesy of © TOYOTA, LICENSE AGREEMENT TMS1002
Fig 7: Illumination Wiring Diagram (7 Of 8)
G09121193Courtesy of © TOYOTA, LICENSE AGREEMENT TMS1002
Fig 8: Illumination Wiring Diagram (8 Of 8)
G09121194Courtesy of © TOYOTA, LICENSE AGREEMENT TMS1002