lemon-mirror:
Home >> Lexus >> 2013 >> IS F >> Repair and Diagnosis >> Electrical >> Body Electrical >> OEM Ground Points >> Ground Point >> Notes

Ground Point: Notes

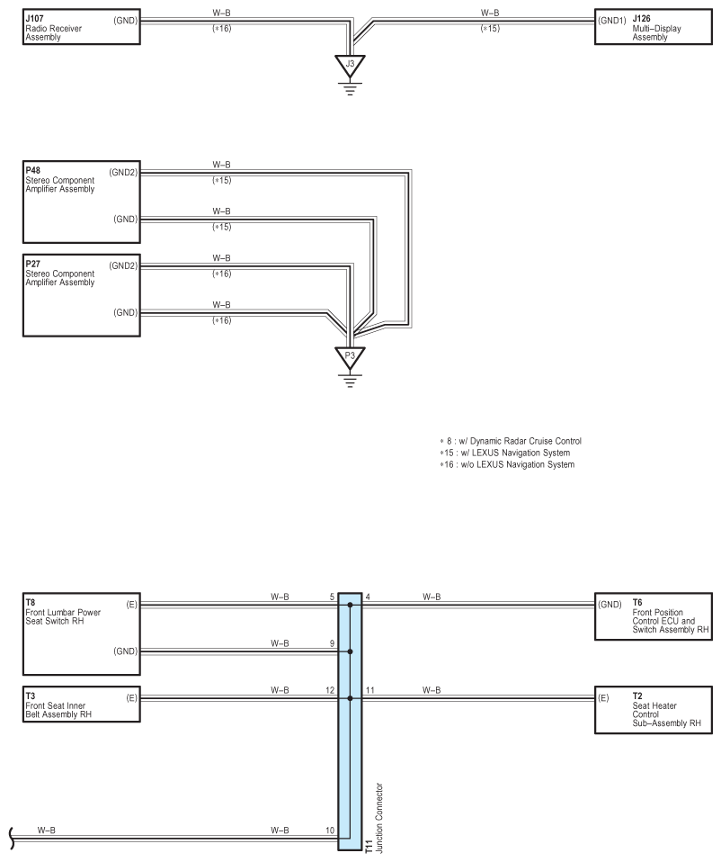
Fig 1: Ground Point - Wiring Diagram (1 Of 9)
G09122418Courtesy of © TOYOTA, LICENSE AGREEMENT TMS1002
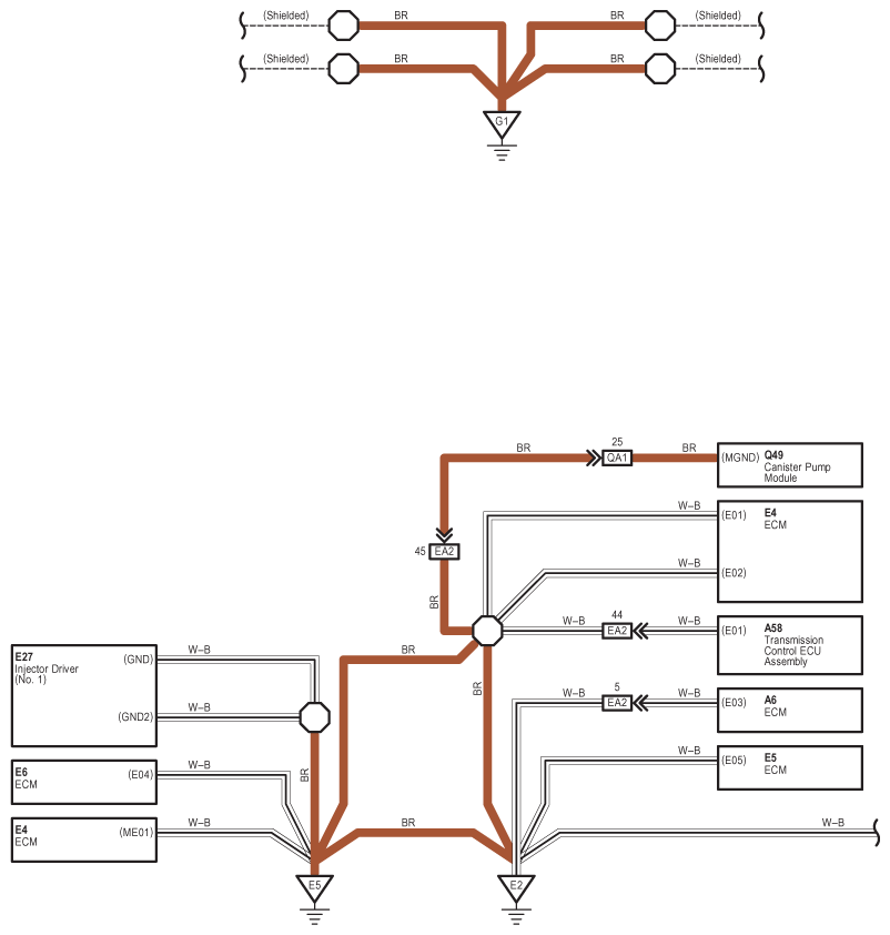
Fig 2: Ground Point - Wiring Diagram (2 Of 9)
G09122419Courtesy of © TOYOTA, LICENSE AGREEMENT TMS1002
Fig 3: Ground Point - Wiring Diagram (3 Of 9)
G09122420Courtesy of © TOYOTA, LICENSE AGREEMENT TMS1002
Fig 4: Ground Point - Wiring Diagram (4 Of 9)
G09122421Courtesy of © TOYOTA, LICENSE AGREEMENT TMS1002
Fig 5: Ground Point - Wiring Diagram (5 Of 9)
G09122422Courtesy of © TOYOTA, LICENSE AGREEMENT TMS1002
Fig 6: Ground Point - Wiring Diagram (6 Of 9)
G09122423Courtesy of © TOYOTA, LICENSE AGREEMENT TMS1002
Fig 7: Ground Point - Wiring Diagram (7 Of 9)
G09122424Courtesy of © TOYOTA, LICENSE AGREEMENT TMS1002
Fig 8: Ground Point - Wiring Diagram (8 Of 9)
G09122425Courtesy of © TOYOTA, LICENSE AGREEMENT TMS1002
Fig 9: Ground Point - Wiring Diagram (9 Of 9)
G09122426Courtesy of © TOYOTA, LICENSE AGREEMENT TMS1002