lemon-mirror:
Home >> Lexus >> 2013 >> IS F >> Repair and Diagnosis >> Electrical >> Body Electrical >> OEM System Circuits >> Automatic Light Control and Light Auto Turn Off System >> Notes

Automatic Light Control and Light Auto Turn Off System: Notes

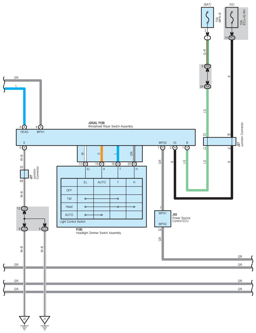
Fig 1: Automatic Light Control And Light Auto Turn Off System Wiring Diagram (1 Of 4)
G09122224Courtesy of © TOYOTA, LICENSE AGREEMENT TMS1002
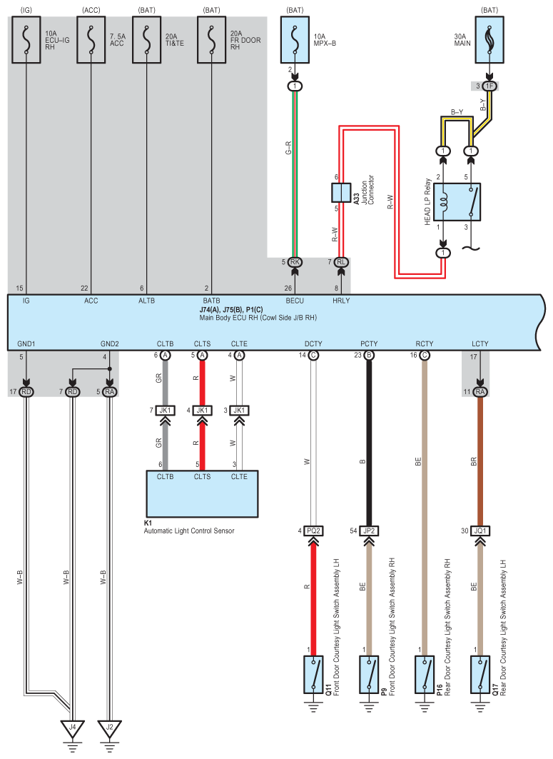
Fig 2: Automatic Light Control And Light Auto Turn Off System Wiring Diagram (2 Of 4)
G09122225Courtesy of © TOYOTA, LICENSE AGREEMENT TMS1002
Fig 3: Automatic Light Control And Light Auto Turn Off System Wiring Diagram (3 Of 4)
G09122226Courtesy of © TOYOTA, LICENSE AGREEMENT TMS1002
Fig 4: Automatic Light Control And Light Auto Turn Off System Wiring Diagram (4 Of 4)
G09122227Courtesy of © TOYOTA, LICENSE AGREEMENT TMS1002