lemon-mirror:
Home >> Lexus >> 2013 >> IS F >> Repair and Diagnosis >> Electrical >> Body Electrical >> OEM System Circuits >> Clock >> Notes

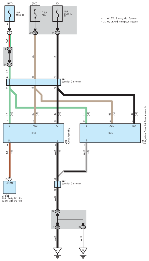
OEM System Circuits: Clock: Notes

Fig 1: Clock System Wiring Diagram
G09122363Courtesy of © TOYOTA, LICENSE AGREEMENT TMS1002