lemon-mirror:
Home >> Lexus >> 2013 >> IS F >> Repair and Diagnosis >> Electrical >> Body Electrical >> OEM System Circuits >> Electronically Controlled Transmission and A/T Indicator and Engine Control >> Notes

Electronically Controlled Transmission and A/T Indicator and Engine Control: Notes

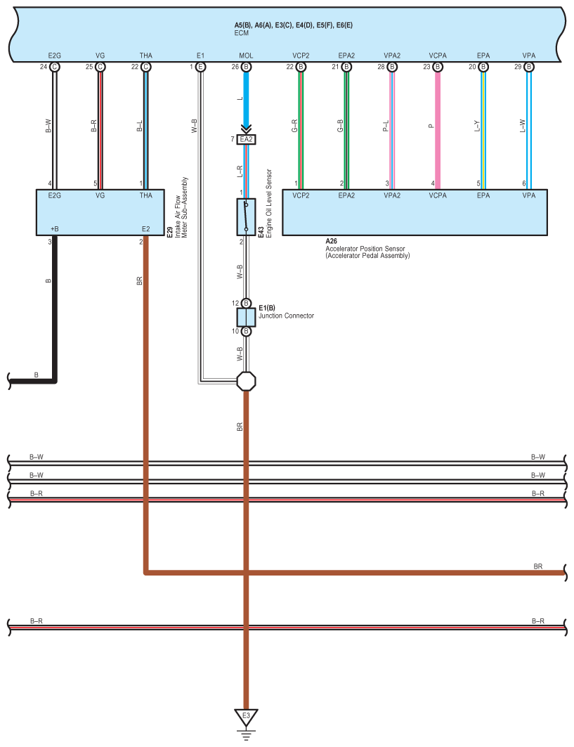
Fig 1: Electronically Controlled Transmission And A/T Indicator And Engine Control System Wiring Diagram (1 Of 30)
G09122137Courtesy of © TOYOTA, LICENSE AGREEMENT TMS1002
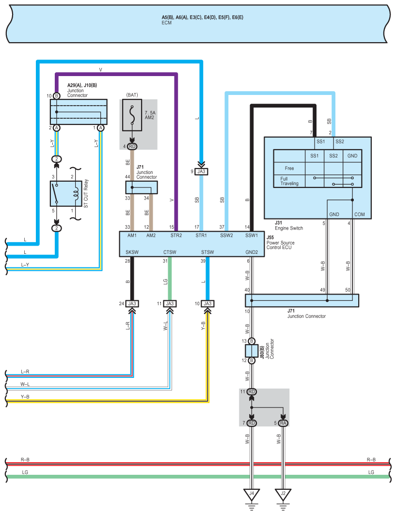
Fig 2: Electronically Controlled Transmission And A/T Indicator And Engine Control System Wiring Diagram (2 Of 30)
G09122138Courtesy of © TOYOTA, LICENSE AGREEMENT TMS1002
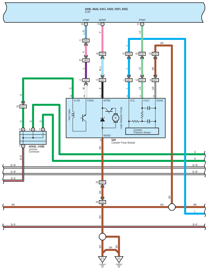
Fig 3: Electronically Controlled Transmission And A/T Indicator And Engine Control System Wiring Diagram (3 Of 30)
G09122139Courtesy of © TOYOTA, LICENSE AGREEMENT TMS1002
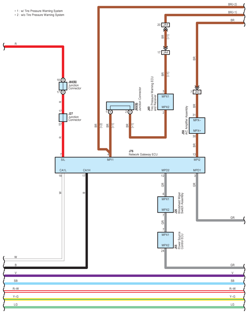
Fig 4: Electronically Controlled Transmission And A/T Indicator And Engine Control System Wiring Diagram (4 Of 30)
G09122140Courtesy of © TOYOTA, LICENSE AGREEMENT TMS1002
Fig 5: Electronically Controlled Transmission And A/T Indicator And Engine Control System Wiring Diagram (5 Of 30)
G09122141Courtesy of © TOYOTA, LICENSE AGREEMENT TMS1002
Fig 6: Electronically Controlled Transmission And A/T Indicator And Engine Control System Wiring Diagram (6 Of 30)
G09122142Courtesy of © TOYOTA, LICENSE AGREEMENT TMS1002
Fig 7: Electronically Controlled Transmission And A/T Indicator And Engine Control System Wiring Diagram (7 Of 30)
G09122143Courtesy of © TOYOTA, LICENSE AGREEMENT TMS1002
Fig 8: Electronically Controlled Transmission And A/T Indicator And Engine Control System Wiring Diagram (8 Of 30)
G09122144Courtesy of © TOYOTA, LICENSE AGREEMENT TMS1002
Fig 9: Electronically Controlled Transmission And A/T Indicator And Engine Control System Wiring Diagram (9 Of 30)
G09122145Courtesy of © TOYOTA, LICENSE AGREEMENT TMS1002
Fig 10: Electronically Controlled Transmission And A/T Indicator And Engine Control System Wiring Diagram (10 Of 30)
G09122146Courtesy of © TOYOTA, LICENSE AGREEMENT TMS1002
Fig 11: Electronically Controlled Transmission And A/T Indicator And Engine Control System Wiring Diagram (11 Of 30)
G09122147Courtesy of © TOYOTA, LICENSE AGREEMENT TMS1002
Fig 12: Electronically Controlled Transmission And A/T Indicator And Engine Control System Wiring Diagram (12 Of 30)
G09122148Courtesy of © TOYOTA, LICENSE AGREEMENT TMS1002
Fig 13: Electronically Controlled Transmission And A/T Indicator And Engine Control System Wiring Diagram (13 Of 30)
G09122149Courtesy of © TOYOTA, LICENSE AGREEMENT TMS1002
Fig 14: Electronically Controlled Transmission And A/T Indicator And Engine Control System Wiring Diagram (14 Of 30)
G09122150Courtesy of © TOYOTA, LICENSE AGREEMENT TMS1002
Fig 15: Electronically Controlled Transmission And A/T Indicator And Engine Control System Wiring Diagram (15 Of 30)
G09122151Courtesy of © TOYOTA, LICENSE AGREEMENT TMS1002
Fig 16: Electronically Controlled Transmission And A/T Indicator And Engine Control System Wiring Diagram (16 Of 30)
G09122152Courtesy of © TOYOTA, LICENSE AGREEMENT TMS1002
Fig 17: Electronically Controlled Transmission And A/T Indicator And Engine Control System Wiring Diagram (17 Of 30)
G09122153Courtesy of © TOYOTA, LICENSE AGREEMENT TMS1002
Fig 18: Electronically Controlled Transmission And A/T Indicator And Engine Control System Wiring Diagram (18 Of 30)
G09122154Courtesy of © TOYOTA, LICENSE AGREEMENT TMS1002
Fig 19: Electronically Controlled Transmission And A/T Indicator And Engine Control System Wiring Diagram (19 Of 30)
G09122155Courtesy of © TOYOTA, LICENSE AGREEMENT TMS1002
Fig 20: Electronically Controlled Transmission And A/T Indicator And Engine Control System Wiring Diagram (20 Of 30)
G09122156Courtesy of © TOYOTA, LICENSE AGREEMENT TMS1002
Fig 21: Electronically Controlled Transmission And A/T Indicator And Engine Control System Wiring Diagram (21 Of 30)
G09122157Courtesy of © TOYOTA, LICENSE AGREEMENT TMS1002
Fig 22: Electronically Controlled Transmission And A/T Indicator And Engine Control System Wiring Diagram (22 Of 30)
G09122158Courtesy of © TOYOTA, LICENSE AGREEMENT TMS1002
Fig 23: Electronically Controlled Transmission And A/T Indicator And Engine Control System Wiring Diagram (23 Of 30)
G09122159Courtesy of © TOYOTA, LICENSE AGREEMENT TMS1002
Fig 24: Electronically Controlled Transmission And A/T Indicator And Engine Control System Wiring Diagram (24 Of 30)
G09122160Courtesy of © TOYOTA, LICENSE AGREEMENT TMS1002
Fig 25: Electronically Controlled Transmission And A/T Indicator And Engine Control System Wiring Diagram (25 Of 30)
G09122161Courtesy of © TOYOTA, LICENSE AGREEMENT TMS1002
Fig 26: Electronically Controlled Transmission And A/T Indicator And Engine Control System Wiring Diagram (26 Of 30)
G09122162Courtesy of © TOYOTA, LICENSE AGREEMENT TMS1002
Fig 27: Electronically Controlled Transmission And A/T Indicator And Engine Control System Wiring Diagram (27 Of 30)
G09122163Courtesy of © TOYOTA, LICENSE AGREEMENT TMS1002
Fig 28: Electronically Controlled Transmission And A/T Indicator And Engine Control System Wiring Diagram (28 Of 30)
G09122164Courtesy of © TOYOTA, LICENSE AGREEMENT TMS1002
Fig 29: Electronically Controlled Transmission And A/T Indicator And Engine Control System Wiring Diagram (29 Of 30)
G09122165Courtesy of © TOYOTA, LICENSE AGREEMENT TMS1002
Fig 30: Electronically Controlled Transmission And A/T Indicator And Engine Control System Wiring Diagram (30 Of 30)
G09122166Courtesy of © TOYOTA, LICENSE AGREEMENT TMS1002